QR ကုဒ်
ကြှနျုပျတို့အကွောငျး
ထုတ်ကုန်များ
ကြှနျုပျတို့ကိုဆကျသှယျရနျ


ဖက်စ်
+86-574-87168065

အီးမေး

လိပ်စာ
Luotuo စက်မှုဇုန်, Zhenhai ခရိုင်, Ningbo City, တရုတ်
RayDafon ၏ SWC-BF စံ flex flex flex flex flex flex flex flext universe universe universe coupling untionque untoque စတားတင်းမာမှုများ, စက္ကူထုတ်လုပ်မှုစက်ကိရိယာများ, စက်မှုလုပ်ငန်းများ, ၎င်းတွင် gyression အချင်းများသည် 180 မီလီမီတာမှ 620 မီလီမီတာအထိရှိပြီး gyray univalal coupling ကို 155 ဒင်လ်စ်လီးစ်ကို 155 ဒသမ 50 ဒီဂရီပေါင်းယူသည်။ အလုပ်ခွင်ပတ် 0 န်းကျင်ကိုတောင်းဆိုခြင်း၌ပင်၎င်းသည်တည်ငြိမ်စွာပြေးနေပြီး, ကျွန်ုပ်တို့သည် 45crmo သံမဏိနှင့်တိကျသောအပ်နှင်းသောဝက်ဝံများဖြင့်ပြုလုပ်ထားသည့်အတွက်၎င်းတွင်စက်မှုစက်ယန္တရားများအတွက်စကြဝ universal ာစက်များနှင့်မိုးသည်းထန်စွာသောကိရိယာများအတွက်လွင့်စင်ကြယ်သောနားကပ်ခြင်းများနှင့်ပြည့်စုံစွာပြုလုပ်နိုင်သည်။
တရုတ်နိုင်ငံတွင်ကျွန်ုပ်တို့၏ကုန်ထုတ်လုပ်မှုသည် ISO 9001 စံနှုန်းများကိုလိုက်နာသည်။ flange connection သည် instructurgy, သတ္တုတူးဖော်ရေးနှင့်သင်္ဘောတည်ဆောက်ရေးနေရာများကဲ့သို့သောလယ်ကွင်းများတွင်ကြီးမားသောအကူအညီများကိုလွယ်ကူစေသည်။ ၎င်း၏အရွယ်အစားနှင့် torque ratings များကိုလည်းစိတ်ကြိုက်ပြုလုပ်နိုင်သည်။ နှင့်စျေးနှုန်းအပြိုင်အဆိုင်အဘယ်သူမျှမ overcharging မရှိပါ။ Raydafon ရဲ့သိတဲ့နည်းလမ်းကတော့မင်းတို့ပြုပြင်ထိန်းသိမ်းမှုအတွက်အချိန်နည်းနည်းမဖြုန်းဘူး, မင်းရဲ့ပစ္စည်းကိရိယာတွေကပိုပြီးယုံကြည်စိတ်ချရလိမ့်မယ်။
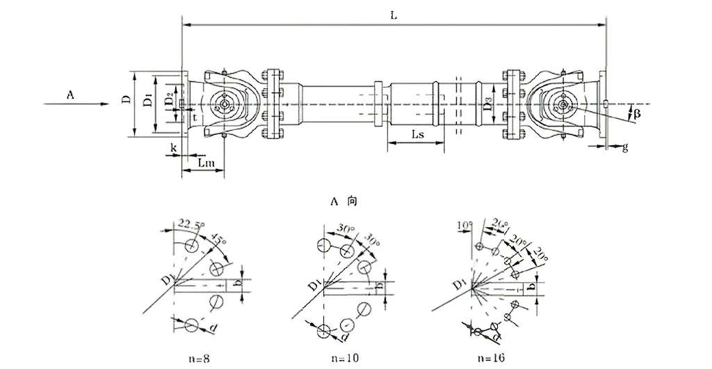
| အမှတ် | gyration အချင်း D မီစေမယ် | အမည်ခံ torque tn Kn ·မီတာ | ပုဆိန်ခေါက်ထောင့် β (°) | ပင်ပန်း torque tf Kn ·မီတာ | flex အရေအတွက် ls မီစေမယ် | အရွယ်အစား (MM) | inertia လှည့် kg.m2 | အလေးချိန် (ကီလိုဂရမ်) | |||||||||||
| မေြရစ် | ဒေတီ (JS11) | ဒေ (H7) | d3 | မည်သည့်အချိန်တွင် | n-d | k | t | b (h9) | g | မေြရစ် | တိုးမြှင့်လာသည် 100 မီm | မေြရစ် | တိုးမြှင့်လာသည် 100 မီm | ||||||
| swc180bf | 180 | 12.5 | 6.3 | ≤25 | 100 | 810 | 155 | 105 | 114 | 110 | 8-17 | 17 | 5 | -1.455 | - | 0.27 | 0.0070 | 80 | 2.8 |
| swc225bf | 225 | 40 | 20 | ≤15 | 140 | 920 | 196 | 135 | 152 | 120 | 8-17 | 20 | 5 | 32 | 9 | 0.79 | 0.0234 | 138 | 4.9 |
| swc250bf | 250 | 63 | 31.5 | 1035 | 218 | 150 | 168 | 140 | 8-19 | 25 | 6 | 40 | 12.5 | 1.46 | 0.0277 | 196 | 5.3 | ||
| swc285bf | 285 | 90 | 45 | 1190 | 245 | 170 | 194 | 160 | 8-21 | 27 | 7 | 40 | 15 | 2.87 | 0.0510 | 295 | 6.3 | ||
| swc315bf | 315 | 125 | 63 | 1315 | 280 | 185 | 219 | 180 | 10-23 | 32 | 8 | 40 | 15 | 5.09 | 0.0795 | 428 | 8.0 | ||
| SWC350BF | 350 | 180 | 90 | 150 | 1410 | 310 | 210 | 267 | 194 | 10-23 | 35 | 8 | 50 | 16 | 9.20 | 0.2219 | 632 | 15.0 | |
| swc390bf | 390 | 250 | 125 | 170 | 1590 | 345 | 235 | 267 | 215 | 10-25 | 40 | 8 | 70 | 18 | 16.62 | 0.2219 | 817 | 15.0 | |
| swc440bf | 440 | 355 | 180 | 190 | 1875 | 390 | 255 | 325 | 260 | 16-28 | 42 | 10 | 80 | 20 | 28.24 | 0.4744 | 1290 | 21.7 | |
| swc490bf | 490 | 500 | 250 | 190 | 1985 | 435 | 275 | 325 | 270 | 16-31 | 47 | 12 | 90 | 22.5 | 46.33 | 0.4744 | 1631 | 21.7 | |
| SWC550BF | 550 | 710 | 355 | 240 | 2300 | 492 | 320 | 426 | 305 | 16-31 | 50 | 12 | 100 | 22.5 | 86.98 | 1.3570 | 2567 | 34.0 | |
| swc620bf | 620 | 1000 | 500 | 240 | 2500 | 555 | 380 | 426 | 340 | 10-38 | 55 | 12 | 100 | 25 | 147.50 | 1.3570 | 3267 | 34.0 | |
Universal Countings ဟုခေါ်သော Universal Couplings-universal totaque နှင့် torque ကိုလှည့်ပတ်နေသောရိုးတံနှစ်ခုအကြား torque နှင့်လည်ပတ်လှုပ်ရှားမှုများကိုရွှေ့ပြောင်းသည့်စက်ပိုင်းဆိုင်ရာအစိတ်အပိုင်းများဖြစ်သည်။ ၎င်းတို့သည် angular, axial နှင့် radial misalignments များကိုမတူညီသောစက်မှုလုပ်ငန်းအသုံးပြုမှုတွင်စွမ်းအင်လွှဲပြောင်းမှုများကိုထိန်းသိမ်းထားစဉ်။ RayDafon တွင်ကျွန်ုပ်တို့၏ SWC Cardy ရိုးတံ universal ပူးတွဲတင်းကျပ်စွာဆက်နွယ်မှုစီးရီးသည်ထိပ်တန်းအင်ဂျင်နီယာ၏စံနမူနာကောင်းတစ်ခုဖြစ်သည်။
တစ်ကမ္ဘာလုံးဆိုင်ရာပူးတွဲနားချင်းချိတ်ဆက်မှုအမျိုးအစားများကိုဖြိုခွဲကြပါစို့။
ပထမ ဦး စွာတစ် ဦး တည်းသောစကြဝ universal ာအဆစ်ဖြစ်ပါတယ်။ ၎င်းတွင် 0 ါရီနှစ်ခုကိုချိတ်ဆက်ထားသည့်လက်ဝါးကပ်တိုင်ပုံဖော်ထားသောမဏ် pres ာန်ရှိသည်။ ၎င်းသည်အလျင်ပြောင်းလဲမှုများကိုဖြစ်ပေါ်စေနိုင်သော်လည်း၎င်းသည်အလယ်အလတ် offsets နှင့်တည်ဆောက်ရန်ကောင်းသည်။ Raydafon ၏ယုံကြည်စိတ်ချရသောလေးလံသောအစွန်အဖျားတွင်ကြိတ်ခွဲစက်များအတွက်ပူးတွဲရေးဆွဲခြင်းသည်ကျစ်လစ်သိပ်သည်းသောတည်ဆောက်မှုများတွင်ပူးတွဲဒီဇိုင်းများကိုအသုံးပြုသည်။
ထိုအခါနှစ်ဆစကြဝ universal ာအဆစ်ရှိပါတယ်။ ၎င်းတွင်အတူတကွချိတ်ဆက်ထားသောအဆစ်နှစ်ခုရှိပြီးကြီးမားသောလွဲမှားသော misaligments များကိုကိုင်တွယ်သည်။ Dunable SWC Universal ပူးတွဲရိုးတံကိုရုပ်သိမ်းခြင်းနှင့်ပစ္စည်းကိုင်တွယ်သည့်ပစ္စည်းကိရိယာများအတွက်ကြာရှည်ခံသည့်တာရှည်ခံထားရသောမော်ဒယ်များကိုလိုအပ်ပါက,
ထို့နောက် Teescopic သို့မဟုတ် Expandable Universal အဆစ်ဖြစ်သည်။ ၎င်းသည် misalignment အတွက်လျော်ကြေးပေးနေစဉ်သင့်အားအရှည်ကိုထိန်းညှိပေးနိုင်သည့်အစိတ်အပိုင်းများကိုဖြည့်ဆည်းပေးနိုင်သည့်အစိတ်အပိုင်းများကိုဖြည့်ဆည်းပေးသည်။ Raydafon ၏ SWC မိုးသည်းထန်စွာရွာသွန်းသော Universal Tockets တွင်တယ်လီစကုပ်များနှင့်ဆောက်လုပ်ရေးလုပ်ငန်းများပါ 0 င်သည်။
အစိုင်အခဲ, ပျင်းခြင်း, ၎င်းတို့သည်၎င်းတို့နှင့်ဆက်သွယ်မှုကိုကွဲပြားသည်။ အစိုင်အခဲအချက်အချာနေရာများတွင်တွင်း, ပျင်းစရာကောင်းသည့်အချက်အချာနေရာများရှိသည်။ စွမ်းအင်ချွေတာသော Universal ပူးတွဲချိတ်ဆက်မှုဆိုင်ရာဖြေရှင်းနည်းများအတွက် RayDafon သည်ကျွန်ုပ်တို့၏ဆူညံသံအပိုဆောင်းပူးတွဲတင်းကျပ်သောပူးတွဲတင်းကျပ်သောပူးတွဲတင်းကျပ်သောတင်းမာမှုများတွင်ရှာဖွေဒီဇိုင်းများကိုကမ်းလှမ်းသည်။
Aradafon ၏ Universal ပူးတွဲတင်းတင်းသီးစီးရီးအပါအ 0 င်ပေါင်းစပ်ထားသောပူးတွဲချိတ်ဆက်မှုများကိုပေါင်းစပ်ထားသောချိတ်ဆက်မှုနှင့်သက်ဆိုင်သောအုတ်မြစ်ချခြင်းဖြင့်ပြုလုပ်ထားခြင်းနှင့်ပြန်လည်ပတ်မှု 30% -50% နှင့်ဂီယာထိရောက်မှုကိုတိုးမြှင့်ပေးပြီးဂီယာစွမ်းဆောင်ရည်ထိရောက်မှုကို 98.6% အထိတိုးမြှင့်ပေးထားသည်။ ဤအင်္ဂါရပ်များသည်ကျွန်ုပ်တို့၏ထုတ်ကုန်များသည်ကျွန်ုပ်တို့၏ထုတ်ကုန်များကိုစိတ်ကြိုက်ပြုလုပ်ထားသော, စွမ်းဆောင်ရည်မြင့်မားသောဖြေရှင်းနည်းများအတွက်လိုအပ်သောပညာရှင်များအတွက်ထိပ်တန်းရွေးချယ်မှုတစ်ခုပြုလုပ်ကြသည်။
Universal Couplings-RayDafon ၏ SWC Cardy ရိုးတံ universal underfulal unformal unformal unformal ပူးတွဲချိတ်ဆက်မှုသည်စက်မှုလုပ်ငန်းထုတ်လွှင့်ခြင်းစနစ်များအတွက်ကြီးမားသောအကျိုးကျေးဇူးများကိုယူဆောင်လာပါ။ သူတို့က torque ကိုရိုးတံအမျိုးမျိုးကိုထိထိရောက်ရောက်မညှိပေးနိုင်တဲ့ရိုးတံတွေအကြားထိထိရောက်ရောက်ရွှေ့လိုက်တယ်။
သူတို့ရဲ့အဓိကအားသာချက်များကိုငေးကြည့်ကြစို့။ ပထမ ဦး စွာသူတို့သည် misalignment အတွက်လျော်ကြေးပေးရာတွင်အလွန်ကောင်းသည် Universal Couplings သည် angular, axial နှင့် radial misalignments ကို 25 ဒီဂရီအထိကိုင်တွယ်သည်။ ၎င်းသည်စက်ရုံလည်ပတ်မှုများကိုလှိမ့်ချထားရန်ယုံကြည်စိတ်ချရသောအစွန်အဖျားပူးတွဲဆက်နွယ်မှုကိုပြုလုပ်သည်။ သူတို့ကဒီဟာကိုစက်ပိုင်းဆိုင်ရာစိတ်ဖိစီးမှု (သို့) တုန်ခါမှုတွေမထည့်သွင်းဘဲလုပ်တယ်, ဒါကြောင့်မင်းရဲ့စက်ယန္တရားကိုကာကွယ်ထားတယ်။
ထို့နောက်သူတို့၏ခက်ခဲသောကြာရှည်ခံမှုနှင့်အသက်ရှည်ခြင်းဘဝတွင်ရှိသည်။ ဤနားချင်းများကိုပေါင်းစပ်ထားသောချိတ်ဆွဲထားသောလက်ကမ်းကြိုးဒီဇိုင်းများနှင့်ခွန်အားမြင့်မားသောပစ္စည်းများနှင့်ပေါင်းစပ်ထားပြီး, ဒါကြောင့်တာရှည်ခံ SWC Universal Think Hate Hepleting ရုပ်သိမ်းခြင်းနှင့်ပစ္စည်းကိရိယာများကိုကိုင်တွယ်ရာတွင်ပစ္စည်းကိရိယာများကိုကိုင်တွယ်ရာတွင်အလွန်အမင်းကြိုးစားနေသည်။ ဒါဟာရှည်လျားသောရိုက်ချက်အားဖြင့်ရိုးရာမော်ဒယ်များ outlasts ။
သူတို့မှာထိပ်တန်းထစ်ပါ 0 င်ပြီး torque စွမ်းရည်ရှိတယ်။ လေးလံသောအလေးများကိုကိုင်ထားခြင်းနှင့် 0.15 မှ 1000 မှ nominal torque များကိုထုတ်လွှင့်ရန်အင်ဂျင်နီယာများကို 0.15 မှ 1000 အထိထုတ်လွှင့်သည်။ ဤတည်ဆောက်မှုများတွင်အစွန်းရောက်ဝန်များအောက်တွင်တသမတ်တည်းစွမ်းဆောင်ရည်သည်မိတ်ကပ်သို့မဟုတ်ချိုးဖောက်ခြင်းဖြစ်ပြီး,
အာဏာထုတ်လွှင့်မှုစွမ်းဆောင်ရည်နှင့်ပတ်သက်လာလျှင်၎င်းတို့သည်ရိုက်နှက်ရန်ခက်ခဲသည်။ 98.6% ထိရောက်မှုကိုနှိပ်ခြင်း, SWC မိုးသည်းထန်စွာရွာသွန်းသောအသီးအပွင့်ပူးတွဲထိန်းချုပ်မှုသည်စွမ်းအင်ဆုံးရှုံးမှုကိုလျော့နည်းစေသည်။ စွမ်းအင်သုံးစက်မှုအက်ပလီကေးရှင်းများ၌လျှပ်စစ်ဓာတ်လွှင့်မှုကြီးမားသောလျှပ်စစ်ဓာတ်အားပေးမှုအတွက်စွမ်းဆောင်ရည်မြင့်ပြီးအချိန်ကြာလာသည်နှင့်အမျှစွမ်းဆောင်ရည်သည်အစစ်အမှန်ကုန်ကျစရိတ်သက်သာစေသည်။
နောက်ဆုံးပေမယ့်အနည်းဆုံးတော့သူတို့ကစွမ်းအင်ကိုချွေတာခြင်းနှင့်တိတ်ဆိတ်စွာပြေး။ စွမ်းအင်ချွေတာသော Universal ပူးတွဲချိတ်ဆက်ထားသောအဖြေများအရသူတို့သည်လျှပ်စစ်ဓာတ်အားသုံးစွဲမှုကိုဖြတ်တောက်။ ၎င်းတို့သည် 30-40 db (က) တွင်ပင်လည်ပတ်သည်။ ဤဆူညံသံနည်းပါးသော Universal Tover Hate သည်ဆူညံသံကိုစိုးရိမ်ပူပန်စေသောစက်မှုလုပ်ငန်းများအတွက်စုံလင်သည်။
Universal Couplings - လူအများစုက `em စကြဝ unto ာန်ပူးတွဲချိတ်ဆက်မှုစင်တာများကိုရိုးရိုးရှင်းရှင်းနှင့်ထိရောက်သောစက်ပစ္စည်းများအကြားအလုပ်လုပ်သည်။ ARMAFAFON ၏ SWC Cardy Laxan Shaft universal ပူးတွဲတင်းတင်းကျပ်ကျပ်ယူပါ။ ၎င်းသည် 0 င်ရိုးတစ်ခုစီတွင်ထမ်းပိုးများနှင့်ချိတ်ဆက်ရန်ကစာလုံးအကြီးအပုံပုံမဏ် paint ာန်ကိုအသုံးပြုသည်။
၎င်းသည်မည်သို့အလုပ်လုပ်သည်ကိုစိတ်နှလုံးသည် Pross Piverot: ၎င်းသည်ထမ်းပိုးများကိုလွတ်လပ်စွာလှည့်စေပြီး Torque Delivery ကိုတသမတ်တည်းထားနေစဉ် 25 ဒီဂရီအထိတက်စေသည်။ ဤမြင့်မားသော Torque သည်အစဉ်အလာအရပူးတွဲဆက်နွယ်မှုကိုအနည်းဆုံးပြောင်းလဲစေသည်။ ARMDAFOFON ၏ SWC စီးရီးများနှင့်အတူဤယန္တရားကိုပိုမိုကောင်းမွန်အောင်ပြုလုပ်ရန်ပေါင်းစပ်ထားသောချိတ်ဆွဲထားသောခေါင်းကိုက်ခြင်းဖြင့်ပေါင်းစည်းထားပါသည်။
ဤနိယာမသည်ကြီးမားသောဝန်ဆောင်မှုများကိုအထောက်အကူပြုသည်။ ထိန်းချုပ်မှုသည် 0.15 မှ 1000 မှ nominal torque များကို 48 နှင့်φ620အကြားရှိ Gyression အချင်းများနှင့် 0.06 နှင့်φcal universal universal universeting ပစ္စည်းကိရိယာများသည်ခက်ခဲသောစစ်ဆင်ရေးများအတွက်ထိုကဲ့သို့သောအစိုင်အခဲစစ်ဆင်ရေးများအတွက်ထိုကဲ့သို့သောခိုင်မာသောရွေးချယ်မှုများအတွက်ထိုကဲ့သို့သောခိုင်မာသောရွေးချယ်မှုများဖြစ်သည်။ ထို့အပြင်စက်မှုလုပ်ငန်း Universal Tover Heetsing သည် 98.6% အထိဂီယာထုတ်လွှင့်မှုသို့တက်လာပြီးကြီးမားသောစက်ယန္တရားများ Universal ပူးတွဲတင်းကျပ်သောထိန်းချုပ်မှုစနစ်များတွင်စွမ်းအင်သုံးစွဲမှုကိုလျှော့ချပေးသည်။
ဒါ့အပြင် RayDafon ရဲ့ SWC မိုးသည်းထန်စွာရွာသွန်းမှုကအစွန်အဖျားချိတ်ဆက်မှုဟာချောမွေ့တဲ့စစ်ဆင်ရေးကိုအဓိကထားတဲ့ feature တွေပါ 0 င်တဲ့အင်္ဂါရပ်တွေပါ။ ၎င်းသည်စွမ်းအင်စီးဆင်းမှုမြင့်မားသောစက်မှုတည်ဆောက်မှုများအတွက်ကြီးမားသောလျှပ်စစ်ထုတ်လွှင့်ခြင်းအတွက်ထိရောက်သောစကြဝ universal ာရေးချိတ်ဆက်မှုနှင့်ထိပ်တန်းစွမ်းအင်ချွေတာခြင်းဆိုင်ရာဖြေရှင်းနည်းတစ်ခုဖြစ်စေသည်။ အားလုံးတွင်ဤဆူညံသံနည်းပါးသောအဆက်မပြတ်အဆစ်အမူအရာသည်အရာရာကိုတိတ်ဆိတ်စွာနေစေသည့်အတွက်ယုံကြည်စိတ်ချရမှုမရှိဘဲဆူညံသံသည်စိုးရိမ်ပူပန်မှုမရှိသောနေရာများတွင်အလွန်ကောင်းမွန်သည်။
⭐⭐⭐⭐⭐ Li Jun, အကြီးတန်းအင်ဂျင်နီယာ, Jiangsu Power Efficer Go. , Ltd.
ကျွန်ုပ်တို့သည် RayDafon ၏ SWC-BF Standard Flex Flex Flex Flex Flex Type Quouse စတားကိုလအနည်းငယ်ကြာအောင်အသုံးပြုနေပြီး၎င်းသည်အလွန်ကောင်းမွန်စွာလုပ်ဆောင်နေသည်။ အများဆုံးထူးခြားမှုသည်ဤနားချင်း၏ပြောင်းလွယ်ပြင်လွယ်မှုဖြစ်သည်။ ၎င်းကိုတပ်ဆင်ခြင်းသည်ချောမွေ့သောလုပ်ငန်းစဉ်တစ်ခုဖြစ်ပြီး weld အရည်အသွေးသည်အလွန်ကောင်းမွန်သည်။ စျေးနှုန်းအတွက်၎င်းသည်အလွန်ကောင်းသောတန်ဖိုးတစ်ခုဖြစ်ပြီးသင်ဟာကြီးမားတဲ့စက်ယန္တရားလုပ်ငန်းမှာရှိနေရင်ဒီပြောင်းလွယ်ပြင်လွယ်တဲ့တလန့်မရှိတဲ့တလွန့်လျှော်မှုကဒီပြောင်းလွယ်ပြင်လွယ်တဲ့တနင်္လာနေ့
⭐⭐⭐⭐⭐ဂျွန်ဒေးဗစ်, စက်မှုအင်ဂျင်နီယာ, မန်ချက်စတာအင်ဂျင်နီယာ Ltd. , UK
ကျွန်တော်တို့ရဲ့မန်ချက်စတာယူနိုက်တက်အသင်းရဲ့ SOSC-BF Standard Flex flex flex flex flex flex universal coupling အတွက်မဆက်စုပ်ယူမှုဟောင်းကိုငါတို့လွှဲပြောင်းလိုက်တယ်။ ဒီကိစ်စကိုစိတ်ဖိစီးမှုမြင့်မားတဲ့အခြေအနေတွေမှာအလုပ်လုပ်နေတဲ့အချိန်မှာတောင်မှဒီအစွန်အဖျားမချုပ်တည်းမှုကစွမ်းအားချောချောမွေ့မွေ့နဲ့ထိထိရောက်ရောက်လုပ်နိုင်တယ်။ ၎င်း၏ခက်ခဲသောဒီဇိုင်းနှင့်တွဲဖက်ထားသည့်ပြောင်းလွယ်ပြင်လွယ်မှုသည်ကျွန်ုပ်တို့၏စက်ယန္တရားများကိုချိတ်ဆွဲထားခြင်းမရှိဘဲလည်ပတ်သည်။ Plus အား Raydafon သည်ကျွန်ုပ်တို့အားမြန်ဆန်စွာပို့ဆောင်ပေးခဲ့ပြီးသူတို့၏ဖောက်သည်ဝန်ဆောင်မှုသည် 0 ယ်ယူမှုတစ်ခုလုံးကိုပိုမိုကောင်းမွန်စွာပြုလုပ်နိုင်သည်။ ဤယုံကြည်စိတ်ချရသော flex flex flex flex universal coupling ကိုအထူးအကြံပြုလိုပါသည်။
⭐⭐⭐⭐⭐ Matteo Rossi, စစ်ဆင်ရေးမန်နေဂျာ, မီလန်စက်မှုဆိုင်ရာဖြေရှင်းနည်းများ, အီတလီ
MisalIMATS ကိုကောင်းကောင်းကိုင်တွယ်နိုင်တဲ့တစ်ကမ္ဘာလုံးအတိုင်းအတာဖြင့်ထမ်းပိုးတင်းမာနေသူတစ် ဦး ကိုရှာဖွေနေသည်။ ကျနော်တို့ကအခုရက်သတ္တပတ်အနည်းငယ်သုံးနေပြီ, ငါတို့သေတ္တာအားလုံးကိုစစ်ဆေးသေချာအောင်ပြောနိုင်ပါတယ်။ ၎င်းကို install လုပ်ခြင်းသည်လွယ်ကူခြင်း, အပိုအခက်အခဲမရှိ, ၎င်းကိုစိန်ခေါ်မှုရှိသောအခြေအနေများမှတစ်ဆင့်ထားသည့်တိုင်၎င်းကတက်သည်။ အရည်အသွေးသည်စျေးနှုန်းချိုသာမှုအတွက်ကျွန်ုပ်တို့၏စက်ယန္တရားအတွက်အလွန်ကောင်းမွန်သောရင်းနှီးမြှုပ်နှံမှုအတွက်ထူးချွန်သည်။ RayDafon ကကျွန်တော်တို့ကိုထုတ်ကုန်နှစ်ခုလုံးနဲ့တကယ်ပျော်တယ်။
Aradafon သည်ထုတ်လုပ်သူမဟုတ်ပါ - ကျွန်ုပ်တို့သည်ထိပ်တန်း tier card များနှင့်စက်မှုစက်ယန္တရားဆိုင်ရာဖြေရှင်းနည်းများကို ဦး ဆောင်သောထုတ်ကုန်များနှင့်စက်မှုစက်ယန္တရားဆိုင်ရာအဖြေများကဲ့သို့သောထုတ်ကုန်များတွင်အလွန်ကျွမ်းကျင်မှုရှိသည်။ ကျွန်တော်တို့ရဲ့အဓိကဆန်းသစ်တီထွင်မှုနဲ့အရည်အသွေးနဲ့စပြီးအချိန်ကြာလာတာနဲ့အမျှကျွန်တော်တို့ရဲ့ core, drive rollinders, Hydraulic ဆလင်ဒါတွေ, ကျွန်ုပ်တို့၏မြင့်မားသော Torque Universal ပူးတွဲချိတ်ဆက်မှုပြုလုပ်ထားသောအဖြေများများကိုစောင့်ရှောက်မှုဖြင့်ပြုလုပ်ထားပြီး Torque Transfers ချောချောမွေ့မွေ့ပြောင်းရွှေ့ခြင်းနှင့် misalignments များကိုမှန်ကန်စွာကိုင်တွယ်နိုင်အောင်သေချာအောင်လုပ်ခြင်းအားဖြစ်သည်။
ကျွန်ုပ်တို့၏ထုတ်လုပ်မှုဆိုင်ရာအဆောက်အအုံများမှာအစိုးရအပေါ်ခေတ်ရေစီးကြောင်း, ကြိတ်ခွဲခြင်း, ကြိတ်ခွဲခြင်းနှင့်အပူကုသရေးကိရိယာများနှင့် 3D တိုင်းတာခြင်းစနစ်များရှိသည်။ ISOO9001 / TS16949 ကဲ့သို့သောတင်းကြပ်သောစံနှုန်းများကိုကျွန်ုပ်တို့စွဲကိုင်ထားသဖြင့်စက်မှုဆိုင်ရာတက္ကသိုလ်ကွန်မြူနစ်ပူးတွဲထိန်းချုပ်မှုတိုင်းသည်တိကျပြီးနောက်ဆုံးတည်ဆောက်ရန်ဖြစ်သည်။ ရုပ်သိမ်းခြင်းနှင့်ပစ္စည်းကိုင်တွယ်သည့်ပစ္စည်းကိရိယာများကိုရုပ်သိမ်းခြင်းနှင့်ပစ္စည်းကိုင်တွယ်သည့်ပစ္စည်းကိရိယာများအတွက်ကျွန်ုပ်တို့၏အကြမ်းခံသည့် SWC universal universal counting coupling ကိုယူပါ။ ဥပမာ - ၎င်းသည်လေးနက်သောဝန်ဆောင်မှုများလိုအပ်သည့်နေရာများအတွက်အကောင်းဆုံးဖြစ်သည်။ နှင့်ကျွန်ုပ်တို့၏ SWC မိုးသည်းထန်စွာတာဝန်ထမ်းဆောင်သောအစွန်အဖျား ၎င်းသည်အကြီးစားစက်ပစ္စည်းအမျိုးမျိုးသောစက်ပစ္စည်းအမျိုးမျိုးသောစက်ပစ္စည်းအမျိုးမျိုးသောကုလသမဂ္ဂ၏ပူးတွဲတင်းတင်းကျပ်ကျပ်ချိတ်ဆက်မှုစနစ်များတွင်ပြ problems နာများကိုဖြေရှင်းနိုင်သည်။
ကျွန်တော်တို့ဟာ Global Glows အတွက်ကြီးမားတဲ့ကျွန်တော်တို့ရဲ့ထုတ်ကုန်တွေရဲ့ 80% ကိုအမေရိကန်, ဂျာမနီ, ဂျပန်, အီတလီ, မလေးရှား, မလေးရှား, အမေရိကန်, တောင်ကိုရီးယား, ယူကေ, စင်္ကာပူ, အမေရိကန်နှင့်စပိန်နိုင်ငံတို့တွင်ခိုင်မာသောကွန်ယက်တစ်ခုရရှိထားသည့်ခိုင်မာသောလျှပ်စစ်ထုတ်လွှင့်ခြင်းရွေးချယ်စရာများအတွက်အကောက်ခွန်ထိရောက်သောပူးတွဲတင်းကျပ်စွာဖြည့်ဆည်းပေးနိုင်သည်။ 4 င်းတို့သည်ကျွန်ုပ်တို့၏စွမ်းအင်ချွေတာသော Universal ပူးတွဲတင်းတင်းကျပ်ကျပ်ပူးတွဲတင်းတင်းကျပ်ကျပ်ပူးတွဲတင်းကျပ်စွာချိတ်ဆက်မှုဖြေရှင်းနည်းများကဲ့သို့ 98.6% အထိထိရောက်သောတပ်ဆင်မှုနည်းပါးသောစွမ်းအင်အသုံးပြုမှုကိုလျှော့ချနိုင်သည့်စွမ်းအင်သုံးစွဲနိုင်မှုနည်းပါးသည်။
ရေရှည်တည်တံ့ခိုင်မြဲမှုနှင့်သုံးစွဲသူများအာရုံစူးစိုက်မှုဆန်းသစ်တီထွင်မှုသည်ကျွန်ုပ်တို့အတွက်ဖြစ်သည်။ ထို့ကြောင့်ဆူညံသံအနိမ့်အနေဖြင့်ဆူညံသောပူးတွဲတင်းတင်းကျပ်ကျပ်ပူးတွဲတင်းတင်းကျပ်ကျပ်ပူးတွဲတင်းတင်းကျပ်ကျပ်ပူးတွဲတင်းတင်းကျပ်ကျပ်ပူးတွဲတင်းတင်းကျပ်ကျပ်ပူးတွဲတင်းကျပ်သောရွေးချယ်စရာများကိုထုတ်ပေးသည်။ ပြီးတော့ငါတို့အရာအားလုံးကိုအပြည့်အဝအရောင်းအပြည့်အ 0 ထောက်ခံမှုနဲ့ပြန်လိုက်ရတယ်။ အရာရာကိုမှန်ကန်စွာလုပ်ဆောင်ခြင်းသည်ကျွန်ုပ်တို့၏ကတိကဝတ်သည် RayDafon ကိုဂီယာလုပ်ငန်းတွင်ယုံကြည်စိတ်ချရသောမိတ်ဖက်တစ် ဦး အားသူတို့၏ပစ္စည်းကိရိယာများမှအကောင်းဆုံးစွမ်းဆောင်ရည်နှင့်ယုံကြည်စိတ်ချရမှုကိုရရှိစေသည်။
လိပ်စာ
Luotuo စက်မှုဇုန်, Zhenhai ခရိုင်, Ningbo City, တရုတ်
Tel
အီးမေး


+86-574-87168065


Luotuo စက်မှုဇုန်, Zhenhai ခရိုင်, Ningbo City, တရုတ်
မူပိုင်ခွင့်© RayDafon Technology Group Co. , Limited All Reserved Reserved ။
Links | Sitemap | RSS | XML | ကိုယ်ရေးအချက်အလက်မူဝါဒ |
