QR ကုဒ်
ကြှနျုပျတို့အကွောငျး
ထုတ်ကုန်များ
ကြှနျုပျတို့ကိုဆကျသှယျရနျ


ဖက်စ်
+86-574-87168065

အီးမေး

လိပ်စာ
Luotuo စက်မှုဇုန်, Zhenhai ခရိုင်, Ningbo City, တရုတ်
ARYDAFON ၏ SWC-WD သည် Flex Flex Type Universal Coupling မပါ 0 င်ပါ။ သံမဏိလှည့်စက်များ, 180 မီလီမီတာမှ 130 မီလီမီတာမှ 130 မီလီမီတာအထိ Gyression အချင်းများနှင့်အတူကျစ်လစ်သိပ်သည်းမဟုတ်ဘဲတယ်လီစန္ဒကူးမဟုတ်သော flange ဒီဇိုင်းရှိသည်။ ဤတိုတိုအစွန်အဖျားတစ်စကြ 0 မ်းစိမ်းလန်းသောမချုပ်တည်းမှုသည်အသက် 15 နှစ်များနှင့် torque ကို 15000 အထိအရှုံးပေးနိုင်သည်။ ကျွန်ုပ်တို့သည်၎င်းကိုမြင့်မားသောခွန်အား 35crmo သံမဏိမှပြုလုပ်ထားသောသံမဏိဖြင့်ပြုလုပ်ထားပြီး, ၎င်းသည်အစဉ်အမြဲတည်ရှိပြီးထာဝရတည်ရှိရန်မလိုအပ်ပါ။ ၎င်းသည်ခက်ခဲသောတည်ဆောက်မှုများတွင်သင်လိုအပ်သည်။
ကျွန်ုပ်တို့၏တရုတ်နိုင်ငံတွင်ကျွန်ုပ်တို့၏ကုန်ထုတ်လုပ်မှုသည် ISO 9001 စံနှုန်းများကိုလိုက်နာသည်။ ထို့ကြောင့် SWC-WD Universal coupling သည်ကြမ်းတမ်းသောအခြေအနေများတွင်ရှိသည်။ လက်ဝါးကပ်တိုင်ရိုးဆိုသည်ကားချေးယူရန်တွန်းအားပေးရန်, အထူးသဖြင့် Axial လှုပ်ရှားမှုသည်အနည်းငယ်မျှသာရှိသည့် metallurgy နှင့်သတ္တုတူးဖော်ရေးပစ္စည်းကိရိယာများတွင်အထူးသဖြင့် instructual defary တို့အားလေပြင်းတိုက်စေသည်။ သင်၏လိုအပ်ချက်များကိုဖြည့်ဆည်းရန်အရွယ်အစားကိုကျွန်ုပ်တို့စိတ်ကြိုက်ပြုပြင်နိုင်သည်။ နှင့်စျေးနှုန်းသည်လည်းယှဉ်ပြိုင်နိုင်ပါသည်။ RayDafon ၏တိကျသောလက်ရာလက်မှုလက်ဆွဲသွင်းမှုဆိုသည်မှာကမ္ဘာတဝှမ်းရှိစက်မှုလုပ်ငန်းအော်ပရေတာများမှာပါ 0 င်သောစက်မှုလုပ်ငန်းများထက်ပိုမိုသောင်ပြင်နှင့်ပိုမိုယုံကြည်စိတ်ချရသောပစ္စည်းကိရိယာများကိုဆိုလိုသည်။
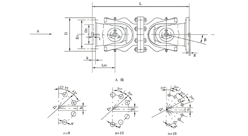
| အမှတ် | gyration အချင်း D မီစေမယ် | အမည်ခံ torque tn Kn ·မီတာ | ပုဆိန်ခေါက်ထောင့် β (°) | ပင်ပန်း torque tf Kn ·မီတာ | အရွယ်အစား (MM) | အလေးချိန် (ကီလိုဂရမ်) | |||||||||
| မေြရစ် | ဒေတီ (JS11) | ဒေ (H7) | မည်သည့်အချိန်တွင် | n-d | k | t | b (h9) | g | မေြရစ် | တိုးမြှင့်လာသည် 100 မီm | |||||
| swc180wd | 180 | 12.5 | 6.3 | ≤25 | 440 | 155 | 105 | 110 | 8-17 | 17 | 5 | - | - | 0.145 | 52 |
| swc225wd | 225 | 40 | 20 | ≤15 | 480 | 196 | 135 | 120 | 8-17 | 20 | 5 | 32 | 9.0 | 0.355 | 82 |
| swc250wwd | 250 | 63 | 31.5 | 560 | 218 | 150 | 140 | 8-19 | 25 | 6 | 40 | 12.5 | 0.831 | 127 | |
| swc285wd | 285 | 90 | 45 | 640 | 245 | 170 | 160 | 8-21 | 27 | 7 | 40 | 15.0 | 1.715 | 189 | |
| swc315wd | 315 | 125 | 63 | 720 | 280 | 185 | 180 | 10-23 | 32 | 8 | 40 | 15.0 | 2.820 | 270 | |
| swc350wwd | 350 | 180 | 90 | 776 | 310 | 210 | 194 | 10-23 | 35 | 8 | 50 | 16.0 | 4.791 | 370 | |
| swc390wwd | 390 | 250 | 125 | 860 | 345 | 235 | 215 | 10-25 | 40 | 8 | 70 | 18.0 | 8.229 | 524 | |
| swc440wd | 440 | 355 | 180 | 1040 | 390 | 255 | 260 | 16-28 | 42 | 10 | 80 | 20.0 | 15.320 | 798 | |
| swc490wd | 490 | 500 | 250 | 1080 | 435 | 275 | 270 | 16-31 | 47 | 12 | 90 | 22.5 | 25.740 | 1055 | |
| swc550wwd | 550 | 710 | 355 | 1220 | 492 | 320 | 305 | 16-31 | 50 | 12 | 100 | 22.5 | 46.780 | 1524 | |
| swc620wd | 620 | 1000 | 500 | 1360 | 555 | 380 | 340 | 10-38 | 55 | 12 | 100 | 25.0 | 83.760 | 2120 | |
* 1 ။ TF-underto alternto alternte torque ကိုတင်ထားသည့် torque ကိုတင်ပါ။
Raydafon ၏ SWC Universal Tovemles-များသောအားဖြင့် SWC Cardan Laxan Heartal Tockets ဟုခေါ်သည်။ ၎င်းသည်မိုးသည်းထန်စွာရွာသွန်းသောစက်မှုဇုန်များ, စက်ဆုပ်ရွံရှာဖွယ်စက်ကိရိယာများနှင့်ကြီးမားသောကြီးမားသောစက်ယန္တရားများတည်ဆောက်ခြင်းကဲ့သို့သောလေးလံသောစက်မှုလုပ်ငန်းများ၌ရှိရမည်။ မြင့်မားသောအစက်အပြောက်အစိုင်အခဲအလုပ်များအနေဖြင့်၎င်းသည် ulnmitly alignly align align align-align-align-align-align-align-align-align-alignments နှစ်ခုကိုချောချောမွေ့မွေ့နိုင်အောင်သေချာအောင်လုပ်ပေးသည်။
၎င်း၏အဓိက specs အကြောင်းပြောကြရအောင် Gyress အချင်းသည်φ58မှφ520အထိရှိသည်။ အမည်ခံ torque သည် 0.15 မှ 1000 အထိရှိသည်။
ဒီနားကပ်ချုပ်ကိုင်မှုဟာသငျသညျရုတ်သိမ်းပေးရန်စက်ပစ္စည်းစစ်ဆင်ရေးများအတွက် Rolling Mill Operations သို့မဟုတ်အကြမ်းခံ swc universal ပူးတွဲရိုးတံပိုးချုပ်ဘို့ယုံကြည်စိတ်ချရသောအစွန်အဖျားပူးတွဲချုပ်ကိုင်ထားရန်လိုအပ်သည့်အခါကန့်သတ်အစက်အပြောက်များကဲ့သို့အစက်အပြောက်အတွက်အကောင်းဆုံး။ ဤဖြစ်ရပ်များတွင်၎င်းသည်၎င်း၏ခွန်အားကိုပြသသည်မှာကြီးမားသောဖိစီးမှုအောက်တွင်ပင်၎င်းသည်လုပ်ငန်းများကိုတည်ငြိမ်ခြင်း, ရှုပ်ထွေးမှုမရှိခြင်း,
Raydafon ၏ SWC Universal ပူးတွဲချိတ်ဆက်မှုသည်အတူတကွတည်ဆောက်ခြင်းနှင့်စက်မှုလုပ်ငန်းအသုံးပြုမှုကာလကြာရှည်စွာလုပ်ကိုင်ရန်အလွန်ကောင်းမွန်သောနောက်ဆုံးပေါ်အင်ဂျင်နီယာများဖြင့်တည်ဆောက်ခြင်းမဟုတ်ပါ။ ၎င်း၏ဖွဲ့စည်းပုံကိုထွက်ပေါ်လာသည့်အရာအားဖြင့်လမ်းလျှောက်ကြပါစို့။
ပထမ ဦး စွာ၎င်းသည်ကျိုးကြောင်းဆီလျော်စွာလုံခြုံပြီးလုံခြုံစိတ်ချရသောပြင်ဆင်မှုတစ်ခုရှိသည်။ ဤစက်မှုလုပ်ငန်း Universal ပူးတွဲတင်းတင်းကျပ်ကျပ်ပူးတွဲတင်းတင်းကျပ်ကျပ်ချိတ်ဆက်မှုအတွက်ပေါင်းစပ်ထားသောချိတ်ဒီဇိုင်းကိုအသုံးပြုခဲ့သည်။ တစ် ဦး တည်းနှစ်ယောက်တည်းက 30% -50% -50% သောအလုံးစုံသောကြောင့်၎င်းသည်လုံခြုံစွာနှင့်တသမတ်တည်းအလုပ်လုပ်သည်။ ပုံမှန် couplings နှင့်နှိုင်းယှဉ်လျှင်၎င်းသည်ကြာရှည်ခံသည်။
ထို့နောက်တိုးချဲ့ထားသောဝန်ဆောင်မှုများစွမ်းရည်ရှိသည်။ ဤ SWC မိုးသည်းထန်စွာတာ 0 န်ထမ်းဆောင်မှုသည်ကြီးမားသောအလေးများကိုကိုင်တွယ်ရန်ပြုလုပ်နိုင်သည်။
၎င်းသည်ထုတ်လွှင့်မှုစွမ်းဆောင်နိုင်မှုမြင့်မားသောစွမ်းဆောင်ရည်ထိရောက်မှုကိုထိထိရောက်ရောက် 98.6% အထိရှိသည်။ ကြီးမားသောလျှပ်စစ်ဓာတ်အားထုတ်လွှင့်မှုအတွက်ထိရောက်သော Universal ပူးတွဲဆက်နွယ်မှုတစ်ခုအနေဖြင့်၎င်းသည်စွမ်းအင်သုံးစွဲမှုနှင့်၎င်းနှင့်ပါ 0 င်သောကုန်ကျစရိတ်များကိုလျှော့ချပေးသည်။ ထို့ကြောင့်စွမ်းအင်စီးပွါးရေးလုပ်ငန်းများအတွက်စွမ်းအင်စီးဆင်းမှုဖြန့်ဖြူးရေးဖြန့်ဖြူးရေးဖြည့်စွက်ချက်များတွင်စွမ်းအင်ချွေတာသော Universal ပူးတွဲတင်းကျပ်သောချိတ်ဆက်မှုဖြေရှင်းနည်းများအတွက်ထိပ်တန်းရွေးစရာဖြစ်သည်။
ပြီးတော့ဆူညံသံနည်းတဲ့အစက်အပြောက်နဲ့အဆင်ပြေပါတယ်။ ဤဆူညံသံနည်းပါးသော Universal ပူးတွဲချိတ်ဆက်မှုသည်စစ်ဆင်ရေးကိုတိတ်ဆိတ်စွာနေစေပြီး,
⭐⭐⭐⭐⭐ zhang Wei, အင်ဂျင်နီယာချုပ်, Henan သတ္တုတွင်းပစ္စည်းကိရိယာများ Co. , Ltd.
ကျွန်ုပ်တို့၏သတ္တုတွင်းစက်ကိရိယာများအပေါ် flex flex untyrange universal coupling မပါပဲ RayDafon ၏ SWC-WD တိုတောင်းနေပြီး၎င်းသည်ပြီးပြည့်စုံသောမထိုက်မတန်ဖြစ်သည်။ ၎င်း၏ကျစ်လစ်သိပ်သည်းသောဒီဇိုင်းသည်နှမြောရန်နေရာသိပ်မများသည့်တင်းကျပ်သောနေရာများအတွက်ကျွန်ုပ်တို့လိုအပ်သည့်အရာသာဖြစ်သည်။ မိုးသည်းထန်စွာရွာသွန်းသောအခြေအနေများတွင်မရှိတော့သည့်တိုင်ဤနားမဆန်မှုသည်ကျွန်ုပ်တို့အားလုံးဝမလွတ်သညွေသူမဟုတ်ပါ။ ကျွန်ုပ်တို့၏ပြုပြင်ထိန်းသိမ်းမှုအဖွဲ့သည်၎င်းကိုစစ်ဆေးရန်လိုအပ်ကြောင်းကိုနှစ်သက်သည်, ဆိုလိုသည်မှာကျွန်ုပ်တို့သည်ထုတ်လုပ်မှုကိုအပိုအခက်အခဲမရှိဘဲချောချောမွေ့မွေ့ရွေ့လျားနိုင်သည်။
⭐⭐⭐⭐⭐ Michael Brown, Operations Manager Manager, Texas သံမဏိလက်ရာများ, USA
ကျွန်ုပ်တို့၏တက်ကဆက်အလုပ်ရုံဆွေးနွေးပွဲသည် STLEAfon Type Qualthal Type Universal Type Universal Type Universal Type Universal Type Universal Counting Universal Type Universal Type Universal type universe universe universal type ons ည့်သည်ကိုအမိန့်ပေးခဲ့ပြီး, အဆိုပါ couplings တကယ်ကောင်းကောင်းလုပ်နိုင်ပါတယ်, သူတို့ကို installing cinch ဖြစ်ပါတယ်, သူတို့က cinch ဖြစ်ပါတယ်, သူတို့ကဝန်အောက်မှာရင်ယုံကြည်စိတ်ချစွာကိုင်ထားသည်။ အဘယ်အရာကကျွန်ုပ်အတွက်အမြင့်ဆုံးအရာဖြစ်သနည်း စျေးနှုန်းနှင့်စွမ်းဆောင်ရည်မည်မျှကောင်းသနည်း။ ဤအရည်အသွေးကိုတသမတ်တည်းဖြည့်ဆည်းပေးသည့်ကုန်ပစ္စည်းပေးသွင်းသူတစ် ဦး ကိုရှာဖွေခြင်းသည်မလွယ်ကူပါ။
⭐⭐⭐⭐⭐ anna Müller, Maintenance Supervisor, ဘာလင်စက်မှုဖြေရှင်းချက်များ, ဂျာမနီ
ကျွန်ုပ်တို့၏ဘာလင်ပစ္စည်းကိရိယာလိုင်းပေါ်တွင် Flex Flex Type Universal Countings ကို Flex Flex Type Universal Couplings မပါဘဲ RayDafon WD တိုတောင်းသည်။ ထုတ်ကုန်ကိုယ်နှိုက်သည် Rock-Solid ဖြစ်သည်ဟုခံစားရသည်။ ဂဟေဆော်ခြင်းဆိုသည်မှာဤနေရာတွင်ဤနေရာတွင်ဤနေရာတွင်ဤနေရာတွင်ဤနေရာတွင်ဤအရပ်၌ဤနေရာတွင်အလွန်စိတ်ပျက်စရာကောင်းလောက်အောင်ကောင်းသည်, အခြားဥရောပ၌ကျွန်ုပ်တို့အသုံးပြုခဲ့သောအခြားအမှတ်တံဆိပ်အချို့နှင့်နှိုင်းယှဉ်လျှင်ဤနားချင်းချိတ်ဆက်ခြင်းသည်ပိုမိုယုံကြည်စိတ်ချရပြီးစျေးနှုန်းသည်လည်းပိုမိုယှဉ်ပြိုင်နိုင်သည့်နည်းလမ်းဖြစ်သည်။ အခြားကုမ္ပဏီများသည်ယုံကြည်စိတ်ချရသောစကြဝ universal ာမ couplings ကိုရှာဖွေနေပါက RayDafon ကိုလုံးဝအကြံပြုပါသည်။
Arayfon ၏ SWC-WD တိုတို Flex Flex Type Universal Couper ကိုမပါ 0 င်ပါ။ မြင့်မားသော Torque Universal ပူးတွဲချိတ်ဆက်မှုတစ်ခုအနေဖြင့်၎င်းသည်ရိုးတံများအပေါ်မညှိနှိုင်းခြင်း,
၎င်း၏အဓိကအင်္ဂါရပ်များအကြောင်းပြောဆိုကြပါစို့။ ၎င်းတို့သည်ကျစ်လစ်သိပ်သည်း။ တင်းကျပ်သောဖွဲ့စည်းပုံရှိသည်။ ဤတိုတောင်းသော, ထို့ကြောင့်ခက်ခဲသောစက်ယန္တရားများ၌ပြုပြင်ထားသောစက်ယန္တရားတွင်ပုံသေအကွာအဝေးဆက်သွယ်မှုများအတွက်အလွန်ကောင်းမွန်စွာအလုပ်လုပ်သည်။ ထို့နောက်၎င်း၏မြင့်မားသောဝန်ဆောင်ခစွမ်းဆောင်ရည်စွမ်းရည်ရှိပါသည်။ သွန်းသံများကဲ့သို့သောခက်ခဲသောပစ္စည်းများအသုံးပြုသည်။ ၎င်းသည်အလေးအနက်ထားသောအလေးအမြောက်အများကိုကိုင်ထားပြီးတူညီသောအချင်း၏အခြားအချင်းများထက်ပိုမိုလွယ်ကူစေသည်။
ဤစက်မှုလုပ်ငန်း Universal Counting သည် Angular, Parallel သို့မဟုတ် axial misalignment သည်လွဲမှားစွာကောင်းမွန်စွာကောင်းမွန်စွာလျော်ကြေးပေးသည်။ ဆိုလိုသည်မှာအကြီးစားစက်ယန္တရားများအပေါင်းသောစက်ယန္တရားပေါင်းစည်းခြင်းစနစ်များတွင်ချောမွေ့လုပ်ဆောင်ခြင်းကိုဆိုလိုသည်။ ထို့အပြင်လျှပ်စစ်ဓာတ်အားထုတ်လွှင့်ခြင်းတွင်ထိရောက်မှုရှိသည် - 98.6% အထိထိရောက်မှုရှိသည်။ ဤ SWC မိုးသည်းထန်စွာရွာသွန်းသော Universal Tover Coupling သည်စွမ်းအင်လျှပ်စစ်ဓာတ်အားပေးစက်မှုကြီးများအတွက်စွမ်းအင်ဖြန့်ဖြူးခြင်းအတွက်ပိုမိုထိရောက်စွာပူးတွဲတင်းကျပ်စွာပြုလုပ်နိုင်သည်။
ထို့အပြင်၎င်းသည်စွမ်းအင်ကိုချွေတာရန်နှင့်တိတ်ဆိတ်စွာပြေးနိုင်ရန်ဒီဇိုင်းပြုလုပ်ထားသည်။ ထို့အပြင်၎င်းသည်ဆူညံသံကို 30-40 DB (က) အကြားဆူညံသံကိုဆက်လက်ထိန်းသိမ်းထားသည်။
ဤလက်စတားသည်သင့်အားစိတ် 0 င်စားစရာကောင်းသောအစွန်အဖျားချိတ်ဆက်မှုပြုလုပ်ရန်အတွက်အထူးသဖြင့်တာဝန်ယူသည့်စကြဝ universal ာတစ်ခုပူးတွဲတင်းတင်းကျပ်ကျပ်ချိတ်ဆက်မှုပြုလုပ်ရန်လိုသည်။ ဤအခြေအနေများတွင်အလွန်အမင်းဝန်များနှင့်နေရာအကန့်အသတ်ဖြင့်ပင်လျှင်လုပ်ငန်းများကိုတည်ငြိမ်စေပြီးကြို့ထိုးခြင်းမရှိပါ။
စက်မှုလုပ်ငန်း Universal ပူးတွဲတင်းတင်းကျပ်ကျပ်ပူးတွဲချိတ်ဆက်ထားသော applications များနှင့်ပတ်သက်လာလျှင်ကျွန်ုပ်တို့၏ SWC-WD Variant သည်စမတ်အင်ဂျင်နီယာနှင့်အတူထွက်ပေါ်လာသည်။ ၎င်း၏အဓိကဖွဲ့စည်းပုံအခြေအနေကိုပြောကြပါစို့။ ၎င်းသည်ဘက်မလိုက်သောလမ်းဆုံလမ်းခွဒီဇိုင်းဖြင့်အကျိုးသင့်အကြောင်းသင့်ရှိသော, လုံခြုံစိတ်ချရသောတည်ဆောက်မှုတစ်ခုရှိသည်။ ၎င်းသည်ဖြိုဖျက်ခြင်း, ဆိုလိုသည်မှာ၎င်းသည်လုံခြုံစွာပြေးနိုင်ပြီးယုံကြည်စိတ်ချစွာပြေးနိုင်ပြီး Oldery Models များထက်ပိုမိုကြာရှည်စွာပြုလုပ်သောကြောင့်စိတ်ဖိစီးမှုစက်ယန္တရားများ,
ထို့အပြင်၎င်းသည်ပိုမိုလေးလံသောအလေးများကိုထောက်ပံ့ရန်၎င်းကိုပိုမိုကောင်းမွန်သောဝန်ဆောင်မှုများပြုလုပ်နိုင်သည်။ ထို့ကြောင့် SWC မိုးသည်းထန်စွာရွာသွန်းသောအစွန်အဖျားချိတ်ဆက်မှုသည်သတ္တုတူးဖော်ရေးသို့မဟုတ်ဆောက်လုပ်ရေးပစ္စည်းကိရိယာများကဲ့သို့ခက်ခဲသောနေရာများအတွက်ပိုမိုကောင်းမွန်သည်။ ၎င်းသည် Power Super ကိုထိထိရောက်ရောက်ထိထိရောက်ရောက်ထိရောက်စွာရွေ့လျားစေပြီး 98.6% ကူးစက်ခံရနိုင်သည်။ ကြီးမားသောလျှပ်စစ်ထုတ်လွှင့်ခြင်းအတွက်ထိရောက်သော Universal ပူးတွဲဆက်နွယ်မှုတစ်ခုအနေဖြင့်၎င်းသည်စွမ်းအင်သုံးစွဲမှုနှင့်၎င်းနှင့်အတူပါ 0 င်သောကုန်ကျစရိတ်များကိုလျှော့ချနိုင်ပြီးစွမ်းအင်ချွေတာသော 0 င်ငွေဖြန့်ဖြူးရေးဖြန့်ဖြူးရေးဖြည့်တင်းခြင်းများအတွက်ထိပ်တန်းရွေးချယ်မှုများပြုလုပ်သည်။
ထို့အပြင်၎င်းသည်မဆိုဆူညံသံသည်တည်ငြိမ်စွာနေနိုင်သည့်အတွက်ချောမွေ့စွာအလုပ်လုပ်သည်။ ဤဆူညံသံနည်းသောအစွန်အဖျားချိတ်ဆက်မှုသည်စစ်ဆင်ရေးကိုတိတ်ဆိတ်ငြိမ်သက်စေပြီးဆူညံသံသည်ပြ problem နာတစ်ခုဖြစ်ပြီး,
Aradafon သည်ဂီယာအစိတ်အပိုင်းများတွင်အခြားအမည်တစ်ခုမျှသာမဟုတ်ပါ - ကျွန်ုပ်တို့သည်စွမ်းဆောင်ရည်မြင့်ဂီယာအစိတ်အပိုင်းများနှင့်စက်မှုစက်ယန္တရားများ၏ဖြေရှင်းနည်းများကဲ့သို့သောထုတ်ကုန်များအပေါ်တွင်ထုတ်လုပ်သူနှင့်ကုန်ပစ္စည်းပေးသွင်းသူဖြစ်သည်။ Global Industries များပြောင်းလဲလာသည့်အချိန်ကြာလာသည်နှင့်အမျှကျွန်ုပ်တို့သည် Gearboxes, Drive Ships, Hydraulic Cylinders, Hydraulic ဆလင်ဒါများ, ကျွန်ုပ်တို့သည်ဆန်းသစ်တီထွင်မှုတွင်ကြီးမားသည်။
ကျွန်ုပ်တို့၏အဆောက်အအုံများသည်ထိပ်တန်းထစ်ဖြစ်သည်။ ကျွန်ုပ်တို့သည် CNC အလုပ်ရုံဆွေးနွေးပွဲများ, ကြိတ်ခွဲခြင်းနှင့်အပူကုသခြင်းဂီယာများရှိပြီး 3D တိုင်းတာခြင်းစနစ်များကိုအဆင့်မြင့်သော။ ကျွန်ုပ်တို့သည် ISOO9001 / TS16949 ကဲ့သို့သောတင်းကြပ်သောအရည်အသွေးစံနှုန်းများကိုလိုက်နာပြီး setup သည် US TORACE TORACE TOURARE SOURKENT SOMECESS ကိုလှုံ့ဆော်ပေးပြီး Torque ကို Pro ကဲ့သို့သော misalignment ကိုကိုင်တွယ်ရန်ကူညီသည်။ ရုပ်သိမ်းခြင်းနှင့်ပစ္စည်းကိုင်တွယ်သည့်ပစ္စည်းများကိုရုပ်သိမ်းခြင်းနှင့်ပစ္စည်းကိုင်တွယ်စက်ကိရိယာများအတွက်ကျွန်ုပ်တို့၏အကြမ်းခံသည့် SWC universal universal counting coupling ကိုယူပါ။ နှင့်ကျွန်ုပ်တို့၏စက်မှုလုပ်ငန်း Universal ပူးတွဲတင်းကျပ်စွာတင်းကြပ်စွာ? ၎င်းသည်တိကျသောနှင့်ကြံ့ခိုင်မှုကိုအများဆုံးအရေးအကြီးဆုံးသောအသုံးပြုမှုအမျိုးမျိုးကိုဖုံးလွှမ်းထားသည်။
ကျွန်ုပ်တို့ပြုလုပ်သောအရာ 80 ရာခိုင်နှုန်းသည်အမေရိကန်, ဂျာမနီ, ဂျပန်, အီတလီ, မလေးရှား, မလေးရှား, တရုတ်, တောင်ကိုရီးယား, ယူကေ, စင်ကာပူ, အမေရိကန်နှင့်စပိန်တို့တွင်ခိုင်မာသောကွန်ယက်များရှိသည်။ ထို့ကြောင့်ကျွန်ုပ်တို့သည်ကမ္ဘာလုံးဆိုင်ရာအစိုင်အခဲဖြစ်သည်။ 0 င်ရောက်လာသူအားဖြင့် 0 န်ဆောင်မှုခံယူသူများကိုအလွန်အမင်း 0 န်ဆောင်မှုခံယူနိုင်သည့်အစဉ်မပြတ် 0 န်ဆောင်မှုပေးသည့်အရာနှင့်မကိုက်ညီသောအသုံးစရိတ်များနှင့်တူသောဖောက်သည်များလိုအပ်သည့်အရာများ၌ပြုလုပ်နိုင်သည်။
ကျွန်ုပ်တို့သည်ရေရှည်တည်တံ့ခိုင်မြဲမှုနှင့်ဖောက်သည်များကို ဦး စွာထားသည့်အဖြေများပြုလုပ်ခြင်းကိုဂရုပြုကြသည်။ ထို့ကြောင့်ကျွန်ုပ်တို့သည်စွမ်းအင်ချွေတာသော Universal ပူးတွဲတင်းတင်းကျပ်ကျပ်ပူးတွဲတင်းတင်းကျပ်ကျပ်ပူးတွဲချိတ်ဆက်မှုဖြေရှင်းနည်းများကိုမြင့်တက်စေပြီးစွမ်းအင်သုံးလျှပ်စစ်ဓာတ်အားတည်ဆောက်မှုတွင်အသုံးပြုသောစွမ်းအင်အသုံးပြုမှုစွမ်းအင်အသုံးပြုမှုစွမ်းအင်အသုံးပြုမှုကိုအသုံးပြုသည်။ ကြီးမားသောလျှပ်စစ်ဓာတ်အားပေးစက်မှုအတွက်စွမ်းဆောင်နိုင်မှုရှိမရှိသို့မဟုတ်ဆူညံသံအစက်များအတွက်ဆူညံသံအစက်အပြောက်များအတွက်ထိရောက်သော Universal ပူးတွဲဆက်နွယ်မှုကိုသင်လိုအပ်ပါသလား။ ဒါကကျွန်တော်တို့ဟာဂီယာလုပ်ငန်းမှာယုံကြည်စိတ်ချရသောလုပ်ဖော်ကိုင်ဖက်တစ်ယောက်ဖြစ်လာပြီး, ငါတို့အစိတ်အပိုင်းတွေကိုမရောင်းဘူး,
လိပ်စာ
Luotuo စက်မှုဇုန်, Zhenhai ခရိုင်, Ningbo City, တရုတ်
Tel
အီးမေး


+86-574-87168065


Luotuo စက်မှုဇုန်, Zhenhai ခရိုင်, Ningbo City, တရုတ်
မူပိုင်ခွင့်© RayDafon Technology Group Co. , Limited All Reserved Reserved ။
Links | Sitemap | RSS | XML | ကိုယ်ရေးအချက်အလက်မူဝါဒ |
