QR ကုဒ်
ကြှနျုပျတို့အကွောငျး
ထုတ်ကုန်များ
ကြှနျုပျတို့ကိုဆကျသှယျရနျ


ဖက်စ်
+86-574-87168065

အီးမေး

လိပ်စာ
Luotuo စက်မှုဇုန်, Zhenhai ခရိုင်, Ningbo City, တရုတ်
ARYDAFON ၏ SWC-WF မပါ 0 င်သော SWC-WF သည်မိုးသည်းထန်စွာစက်ကိရိယာများ, ၎င်းတွင် 160mm မှ 640 မီလီမီတာမှ 640 မီလီမီတာအထိရှိသော gyronte untange untalal coupling ကိုကိုင်တွယ်နိုင်သည့်အယောင်ဆောင်ရေးအမ်းစက်များသည်ကြီးမားသော angular misalignments ကိုကိုင်တွယ်သည်။ ကျွန်ုပ်တို့သည်တည်ဆောက်ရန်အတွက်ခွန်အားမြင့်မားသော 35crmo သံမဏိကိုအသုံးပြုသည်။ Arayfon ၏တိကျသောထုတ်လုပ်မှုသည်အထူးသဖြင့်စဉ်ဆက်မပြတ် torque ပေးပို့ခြင်းကိုအလျှော့ပေးလိုက်လျောခြင်းမရှိသောစက်မှုလုပ်ငန်းများအတွက်အချိန်တိုင်းအစိုင်အခဲစွမ်းဆောင်ရည်ကိုပေးသည်။
ဤ SWC-WF Universal Coupling သည် Axial လှုပ်ရှားမှုသိပ်မများသည့်သင်္ဘောများနှင့်လှိမ့်သောစက်ရုံများကဲ့သို့တပ်ဆင်ထားသည့်တင်းကျပ်သော flange connection ဖြင့်တည်ဆောက်ထားသည်။ ISO 9001 စံနှုန်းများကိုတင်းကြပ်စွာလိုက်နာပြီးကျွန်ုပ်တို့၏တရုတ်အခြေစိုက်စက်ရုံသည်အဆင့်မြင့်သောစက်ပစ္စည်းများနှင့်တင်းကျပ်သောစက်ရုံများကိုအသုံးပြုသည်။ ၎င်းသည် Customizable အရွယ်အစား, Torque Ratings 1250 အထိ Torque Ratings နှင့်အတူ 0 င်ရောက်လာသည်။ RayDafon သည်အပြိုင်အဆိုင်စျေးနှုန်းများဖြင့်အံဝင်ခွင်ကျဖြစ်သောဖြေရှင်းနည်းများကိုပေးထားသည်။
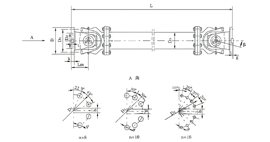
| အမှတ် | gyration အချင်း D မီစေမယ် | အမည်ခံ torque tn Kn ·မီတာ | ပုဆိန်ခေါက်ထောင့် β (°) | ပင်ပန်း torque tf Kn ·မီတာ | အရွယ်အစား (MM) | inertia လှည့် kg.m2 | အလေးချိန် (ကီလိုဂရမ်) | |||||||||||
| မေြရစ် | ဒေတီ (JS11) | ဒေ (H7) | d3 | မည်သည့်အချိန်တွင် | n-d | k | t | b (h9) | g | မေြရစ် | တိုးမြှင့်လာသည် 100 မီm | မေြရစ် | တိုးမြှင့်လာသည် 100 မီm | |||||
| SWC285WF | 285 | 90 | 45 | ≤15 | 810 | 245 | 170 | 194 | 160 | 8-21 | 27 | 7 | 40 | 15 | 2.664 | 0.051 | 220 | 6.3 |
| swc315wf | 315 | 125 | 63 | 915 | 280 | 185 | 219 | 180 | 10-23 | 32 | 8 | 40 | 15 | 4.469 | 0.0795 | 300 | 8.0 | |
| swc350wf | 350 | 180 | 90 | 980 | 310 | 210 | 267 | 194 | 10-23 | 35 | 8 | 50 | 16 | 7.388 | 0.2219 | 412 | 15.0 | |
| swc390wf | 390 | 250 | 125 | 1100 | 345 | 235 | 267 | 215 | 10-25 | 40 | 8 | 70 | 18 | 13.184 | 0.2219 | 588 | 15.0 | |
| swc440wf | 440 | 355 | 180 | 1290 | 390 | 255 | 325 | 260 | 16-28 | 42 | 10 | 80 | 20 | 23.250 | 0.4744 | 880 | 21.7 | |
| swc490wf | 490 | 500 | 250 | 1360 | 435 | 275 | 325 | 270 | 16-31 | 47 | 12 | 90 | 22.5 | 40.750 | 0.4744 | 1173 | 21.7 | |
| SWC550WF | 550 | 710 | 355 | 1510 | 492 | 320 | 426 | 305 | 16-31 | 50 | 12 | 100 | 22.5 | 68.480 | 1.3570 | 1663 | 34.0 | |
| swc620wf | 620 | 1000 | 500 | 1690 | 555 | 380 | 426 | 340 | 10-38 | 55 | 12 | 100 | 25 | 127.530 | 1.3570 | 2332 | 34.0 | |
* 1 ။ TF-underto alternto alternte torque ကိုတင်ထားသည့် torque ကိုတင်ပါ။
* 2 ။ လိုအပ်ချက်အရဆိုတဲ့အဆိုအရ L-install အရှည်ကို။
Flex Flex Flex Type Type Universal Templeting Maydafon ၏ SWC-WF သည် SWC Cardy universal universal universal ပူးတွဲတင်းကျပ်စွာချိတ်ဆက်မှုပုံစံများဖြစ်သော SWC Card ရိုးတံ universal universal ပူးတွဲတင်းကျပ်စွာပြုလုပ်ထားသောအရာဖြစ်သော SWC Cardy universal universal universal universing-online unformal ater on on on on-collinear ရိုးတံ 2 ခုမှ torque ကိုရရှိသည်။ ဤမြင့်မားသော Torque သည်စကြဝ universal ာပူးတွဲချိတ်ဆက်မှုသည်နှစ်ဖက်စလုံးတွင်ကပ်ဘေးများကိုချိတ်ဆက်ရန် Cross-bearing setup ကိုအသုံးပြုသည်။
၎င်းသည်မည်သို့အလုပ်လုပ်သည်။ ၎င်းသည်တစ်ကမ္ဘာလုံးဆိုင်ရာပူးတွဲဒီဇိုင်းဖြစ်သည်။ ထိုနည်းအားဖြင့် torque သည်ကားမောင်းသည့်ရိုးတံကိုထိရောက်စွာမောင်းနှင်သောရိုးတံသို့ သွား. ၎င်းသည်ချိတ်ဆက်ထားသည့်အစိတ်အပိုင်းများကိုစိတ်ဖိစီးမှုများလွန်းခြင်းမရှိဘဲ angular misalignments အတွက်တက်စေသည်။ အကယ်. သင်သည် Rolling Mill Operations အတွက်ယုံကြည်စိတ်ချရသောလေးလံသောအစွန်အဖျားချိတ်ဆက်မှုတစ်ခုလိုအပ်ပါက၎င်းသည်တင်းကျပ်သော,
၎င်း၏ function ကိုရပ်တန့်စေသောအရာမှာ၎င်းသည်ပြောင်းလွယ်ပြင်လွယ်သောအစိတ်အပိုင်းများသို့မဟုတ်ချဲ့ထွင်မှုဆိုင်ရာအင်္ဂါရပ်များမရှိပါ။ ၎င်းသည်အခြားအမျိုးအစားများ မှလွဲ. ၎င်းကိုအခြားအမျိုးအစားများမှခွဲထုတ်ထားပြီး Axial လှုပ်ရှားမှုအနည်းငယ်သာရှိသည့်နေရာများအတွက်အလွန်ကောင်းမွန်စေသည်။ အကြမ်းခံနိုင်သည့် SWC Universal Hate Hearts Coupling ကျွန်ုပ်တို့သည်ရုပ်သိမ်းခြင်းနှင့်ပစ္စည်းကိရိယာများကိုကိုင်တွယ်ရာတွင်အသုံးပြုသောပစ္စည်းကိရိယာများကိုကိုင်တွယ်ခြင်းနှင့်ပစ္စည်းကိရိယာများကိုကိုင်တွယ်ရန်ဤနိယာမပေါ်တွင်ကြီးမားသောဝန်များအောက်တွင်ပင်ဟန်ချက်ညီစေရန်, ဂီယာထိရောက်မှုကို 98.6% အထိထိရောက်ပြီးစွမ်းအင်ကိုမဖြုန်းတီးပါ။ ဤစက်မှုလုပ်ငန်းအယူဖောက်ပြန်မှုသည်လှုပ်ရှားမှုများသည်တိကျသောလှုပ်ရှားမှုကြောင့်တိကျသောစက်ယန္တရားများကဲ့သို့ကြီးမားသောစက်ယန္တရားများနှင့်တူသောစက်ယန္တရားများနှင့်တူသောစက်ယန္တရားပူးတွဲနားကြပ်များကဲ့သို့ပင်စိတ်ဖိစီးမှုများသောအခြေအနေများတွင်ပင်တုန်ခါမှုများကိုဖြတ်တောက်ပစ်လိုက်သည်။
Plus အား RayDafon ၏ SWC မိုးသည်းထန်စွာထမ်းဆောင်သော Universal-Duty Universal ပူးတွဲထိန်းချုပ်မှုသည်နူးညံ့သိမ်မွေ့သောအရာများအပေါ်ပိုမိုများပြားလာရန်ပိုမိုများပြားလာသည်။ ကြီးမားသောလျှပ်စစ်ထုတ်လွှင့်ရန်အတွက်ထိရောက်သော Universal ပူးတွဲဆက်နွယ်မှုတစ်ခုအနေဖြင့်၎င်းသည် 0.15 မှ 1000 မှ nominal torque များကိုကိုင်တွယ်သည်။ နှင့် 30-40 DB (က) အကြားဆူညံသံနှင့်အတူဒီဆူညံသံအနေဖြင့်ဒီဆူညံသံအနေဖြင့်အဆက်မပြတ်အဆက်မပြတ်ပူးတွဲချိတ်ဆက်မှုသည်တိတ်ဆိတ်ငြိမ်သက်နေပြီး,
Aradafon ၏ SWC Universal Tover-Universal Touupling မကြာခဏ SWC Cardy ရိုးတံ universal ပူးတွဲတင်းကျပ်စွာဟုခေါ်သည်။ ၎င်းသည်မိုးသည်းထန်စွာရွာသွန်းသောစက်မှုလုပ်ငန်းများ, စက်လှေစက်များနှင့်ကြီးမားသောကြီးမားသောစက်ယန္တရားစနစ်များကဲ့သို့သောလေးလံသောစက်မှုလုပ်ငန်းတည်ဆောက်ခြင်းအတွက်မဖြစ်မနေလိုအပ်သည်။ မြင့်မားသောစကြဝ universal ာတစ်ခုပူးတွဲဆက်ောက်ကိုင်မှုတစ်ခုအနေဖြင့်၎င်းသည် throught ုပ်ရင့်သောအရာနှစ်ခုကိုအပြည့်အ 0 မကိုင်ဆောင်နိုင်သည့်အစိုင်အခဲအလုပ်တစ်ခုလုပ်သည်။
၎င်း၏အဓိကသတ်မှတ်ချက်များအကြောင်းပြောဆိုကြပါစို့။ Gyression အချင်းသည်φ58မှφ520အထိရှိသည်။ အမည်ခံ torque သည် 0.15 မှ 1000 အထိရှိသည်။
ဤထုတ်ကုန်သည်လှိမ့်သောစက်ရုံလည်ပတ်မှုသို့မဟုတ်ပစ္စည်းကိရိယာများကိုကိုင်တွယ်ရာတွင်ကြာရှည်ခံသော SWC universal universal universal universal universal counting coupling အတွက်ယုံကြည်စိတ်ချရသောလေးနက်သောအစွန်အဖျားချိတ်ဆက်မှုလိုအပ်သည့်အခါတိကျတဲ့အခြေအနေများနှင့်တူသည်။ ဤဖြစ်ရပ်များတွင်၎င်းသည်အကြီးစားဝန်များကိုကိုင်တွယ်ဖြေရှင်းသည့်တိုင်စစ်ဆင်ရေးကိုထိန်းသိမ်းထားခြင်းအားဖြင့်ယင်း၏တန်ဖိုးကိုသက်သေပြသည်။
Aradafon ၏ SWC Universal ပူးတွဲချိတ်ဆက်မှုသည် function အတွက်တည်ဆောက်ထားခြင်းမဟုတ်ပါ။ ၎င်းသည်စက်မှုလုပ်ငန်းအသုံးပြုမှုတွင်ပြုလုပ်ရန်နှင့်ရေရှည်တွင်ကောင်းမွန်စွာလုပ်ဆောင်ရန်စမတ်ဒီဇိုင်းနှင့်အတူအင်ဂျင်နီယာဖြစ်သည်။ ၎င်း၏ဖွဲ့စည်းပုံကိုဖြစ်ပေါ်စေသောအရာကိုဖြိုဖျက်ကြပါစို့။
ပထမ ဦး စွာ၎င်းသည်ကျိုးကြောင်းဆီလျော်စွာလုံခြုံပြီးလုံခြုံစိတ်ချရသောပြင်ဆင်မှုတစ်ခုရှိသည်။ ဤစက်မှုလုပ်ငန်း Universal ပူးတွဲတင်းတင်းကျပ်ကျပ်ပူးတွဲတင်းတင်းကျပ်ကျပ်ချိတ်ဆက်မှုအတွက်ပေါင်းစပ်ထားသောချိတ်ဒီဇိုင်းကိုအသုံးပြုခဲ့သည်။ ၎င်းသည်တစ်ခုတည်းသောတစ်ခုတည်းသောဖွဲ့စည်းတည်ဆောက်ပုံဆိုင်ရာသမာဓိကို 30% -50% ဖြင့်တိုးမြှင့်ပေးပြီး၎င်းသည်လုံခြုံစွာနှင့်ယုံကြည်စိတ်ချစွာအလုပ်လုပ်သည်။ ပုံမှန် couplings နှင့်နှိုင်းယှဉ်လျှင်၎င်းသည် ပိုမို. ခက်ခဲသောအလုပ်များတွင်သင်မြင်ရသောအစက်အပြောက်များကဲ့သို့သောစိတ်ဖိစီးမှုများသောအားဖြင့်အစက်အပြောက်များကဲ့သို့ပုံမှန်အားဖြင့်ဘုံပျက်ပြားမှုကိုရှောင်ရှားသည်။
ထို့နောက်တိုးမြှင့်ထားသော load-beading စွမ်းရည်ရှိသည်။ ဤ SWC မိုးသည်းထန်စွာတာ 0 န်ထမ်းဆောင်မှုသည်ကြီးမားသောအလေးများကိုကိုင်တွယ်ရန်ပြုလုပ်နိုင်သည်။
၎င်းသည်မြင့်မားသောဂီယာထိရောက်မှုကိုရရှိစေသည်။ 98.6% အထိရိုက်သည်။ ကြီးမားသောလျှပ်စစ်ဓာတ်အားထုတ်လွှင့်ရန်အတွက်ထိရောက်သော Universal ပူးတွဲဆက်နွယ်မှုတစ်ခုအနေဖြင့်၎င်းသည်စွမ်းအင်သုံးစွဲမှုနှင့်၎င်းနှင့်ပါ 0 င်သောကုန်ကျစရိတ်များကိုလျှော့ချသည်။ ဒါကြောင့်စွမ်းအင်ချွေတာတဲ့ Universal Top-Power-Power Industrial prodfitrier setups မှာစွမ်းအင်ချွေတာတဲ့ Universal ပူးတွဲတင်းကျပ်တဲ့ဖြေရှင်းနည်းတွေအတွက်ထိပ်တန်းရွေးချယ်မှုပဲ။
ထို့အပြင်ဆူညံသံနည်းပါးသည်။ ၎င်းသည်ထုတ်လွှင့်မှုမှန်မှန်တည်ရှိသည်။ ဆူညံသံသည်များသောအားဖြင့် 30-40 DB (က) အကြားရှိနေသည်။ ဤဆူညံသံအနိမ့်အနေဖြင့်အစွန်အဖျားချိတ်ဆက်မှုသည်သေချာစေသည်။
⭐⭐⭐⭐⭐ Chen Liang, ထုတ်လုပ်ရေးအင်ဂျင်နီယာ, Zhejiang စက်ယန္တရား Co. , Ltd.
RayDafon ၏ SWC-WF ကို flex flex flex type universal coupling မတူဘဲကျွန်ုပ်တို့၏ထုတ်လုပ်မှုလိုင်းတစ်ခုတွင်ချိတ်ဆက်ထားပြီး, ဖွဲ့စည်းပုံရဲ့ရိုးရှင်းတဲ့ပေမယ့်ခက်ခဲတဲ့ installing ကလေပြေလေညရောင်, Set up ပြီးတာနဲ့ချောချောမွေ့မွေ့အလုပ်လုပ်သည်, အပိုအပြောင်းအလဲများမလိုအပ်ပါ။ ဝန်လေး၏လေးလံသောတိုင်ပင်လျှင်ပင်ယုံကြည်စိတ်ချရသောအချိန်၌ပင်ယုံကြည်စိတ်ချရသောအရာများသည်အလွန်စိတ်ပူစရာမလိုဘဲနာရီပေါင်းများစွာကြာမြင့်စွာလည်ပတ်နေနိုင်သည်။
⭐⭐⭐⭐⭐ Sun Mei, Hebei သံမဏိ Co. , Ltd. 0 ယ်ယူသူ,
ကျွန်ုပ်တို့၏ကုမ္ပဏီသည် STX-WF ကို Flex Flex untlex universe universal couplings မပါဘဲ 0 ယ်ယူပြီးပထမ ဦး ဆုံးအနေဖြင့်ပထမ ဦး စွာပေးပို့ခြင်းသည်အချိန်မီရောက်နေပြီးအထွ cours နာများမှာမူဂရုမစိုက်ပါ။ ကျွန်ုပ်အတွက်အမှန်တကယ်ရပ်တည်မှုသည်အလုပ်ရုံဆွေးနွေးပွဲအဖွဲ့မှပြောသောအရာဖြစ်သည်။ ထို့အပြင်အခြားပေးသွင်းသူများနှင့်နှိုင်းယှဉ်ပါကဤစျေးနှုန်းသည်မျှတသည်။ အားလုံးမှာငါတို့ဝယ်ယူမှုကိုတကယ်ပျော်တယ်။
⭐⭐⭐⭐⭐ဂူးဇွန်, Maintenance Maintenance Manager
ကျွန်တော့်အလုပ်ကငါတို့စက်တွေကိုလည်ပတ်ဖို့ပဲ။ ARMAFAFON ၏ SWC-WF ကို flex flight type universal coupling မပါဘဲစတင်အသုံးပြုသောကြောင့်၎င်းသည်အရေးအကြီးဆုံးတွင်ကြီးမားသောခြားနားချက်နည်းပါးနေသည်ကိုသတိပြုမိသည်။ ဒီဇိုင်းရဲ့ခက်ခဲတဲ့, အဲဒါဟာပြုပြင်ထိန်းသိမ်းမှုတွေအများကြီးမလိုအပ်ပါဘူး။ ၎င်းသည်ကျွန်ုပ်တို့အားအချိန်နှင့်ငွေနှစ်မျိုးစလုံးကိုကယ်တင်နိုင်ပြီး၎င်းသည်ကျွန်ုပ်တို့၏ပစ္စည်းကိရိယာများအတွက်အလွန်အားကိုးသောအစိတ်အပိုင်းတစ်ခုဖြစ်ပြီး၎င်းသည်ကျွန်ုပ်တို့၏ပစ္စည်းကိရိယာများအတွက်အလွန်အားကိုးသောအစိတ်အပိုင်းတစ်ခုဖြစ်လာခဲ့သည်။
RayDafon သည် Ever-Power Group Co. , Ltd ၏အဓိကလက်အောက်ခံဖြစ်သည်။ ကျွန်ုပ်တို့သည်ကုန်ပစ္စည်းပေးသွင်းသူတစ် ဦး သာမကထိပ်တန်း 0 န်ဆောင်မှုနှင့်စက်မှုဆိုင်ရာအဖြေများကဲ့သို့သောဆန်းသစ်သောထုတ်ကုန်များကိုသာအာရုံစိုက်သည်။ ကျွန်တော်တို့စခဲ့တဲ့အချိန်ကစပြီးကျွန်တော်တို့ဟာနည်းပညာတိုးတက်လာခြင်းနှင့်ကမ္ဘာလုံးဆိုင်ရာစျေးကွက်များတွင်ကြီးထွားလာခြင်းတို့ဖြစ်သည်။ ကျွန်တော်တို့ဟာတစ်ခုတည်းသောအစိတ်အပိုင်းများကိုရောင်းဖို့မရပ်တန့်ခဲ့ဘူး, ကျွန်ုပ်တို့၏ drive-holds နှင့်ဂီယာထုတ်ကုန်များနှင့်ဂီယာထုတ်ကုန်များက 0 န်ဆောင်မှုခံယူသူများကိုယုံကြည်စိတ်ချရသောစက်ဆုပ်ရင့်သောကြိတ်ခွဲခြင်းနှင့်အခြားခက်ခဲသောအလုပ်များပြုလုပ်ရန်လိုအပ်သည့်ဖောက်သည်များကိုဆိုလိုသည်။
RayDafon တွင် Gearboxes, drive ရိုးတံများ, Hydraulic Cylinders, Pullesys ကဲ့သို့သောအဆင့်မြင့်စက်များ, ကျွန်ုပ်တို့၏မြင့်မားသော Torque Universal ပူးတွဲတင်းကျပ်စွာချိတ်ဆက်မှုဖြေရှင်းနည်းများကို SWC စီးရီးများပြုလုပ်ရန် SWC စီးရီးများကိုပြုလုပ်ရန်တာရှည်ခံ swc universal universal universal universal universal under under under under under under under under under level under unders ည့်သည်များကိုကိုင်တွယ်ရန်တည်ဆောက်ထားသည်။ CNC အလုပ်ရုံဆွေးနွေးပွဲများ, ကြိတ်ခွဲခြင်းနှင့်အပူကုသစက်များ, CNC အလုပ်ရုံဆွေးနွေးပွဲများ, ကြိတ်ခွဲခြင်းနှင့်အပူကုသစက်များ,
ကျွန်ုပ်တို့၏ထုတ်ကုန်များ၏ 80% ကိုအမေရိကန်, ဂျာမနီ, ဂျပန်, အီတလီ, မလေးရှား, သွစတြေးလျနှင့်အရှေ့အလယ်ပိုင်းတို့ကဲ့သို့စျေးကွက်များသို့ရောင်းချသည်။ ထို့အပြင်ကျွန်ုပ်တို့သည်တရုတ်, တောင်ကိုရီးယား, ယူကေ, စင်ကာပူ, အမေရိကန်နှင့်စပိန်တို့ကဲ့သို့သောနေရာများတွင်ခိုင်မာသောကွန်ယက်တစ်ခုရှိသည်။ ဤကမ္ဘာလုံးဆိုင်ရာလက်လှမ်းမီမှုသည် SWC Heavy-Duty Universal Headal Universal Headal Universal ပူးတွဲတင်းကျပ်စွာကုလသမဂ္ဂပူးတွဲတင်းကျပ်သောကုလသမဂ္ဂပူးတွဲတင်းကျပ်စွာချိတ်ဆက်မှုပြုလုပ်နိုင်ပြီးအချိန်အတော်ကြာပြုလုပ်ရန်လိုအပ်သည့်အချိန်ကြာမြင့်စွာကြာမြင့်စွာပြုလုပ်နိုင်သည်။
0 ယ်ယူသူများကို 0 မ်းမြောက်ခြင်းနှင့်ဖောက်သည်များပျော်ရွှင်ခြင်းသည်ကျွန်ုပ်တို့၏ ဦး စားပေးမှုများဖြစ်သည်။ ကျွန်ုပ်တို့သည်စွမ်းအင်ချွေတာသော Universal ပူးတွဲတင်းတင်းကျပ်ကျပ်ပူးတွဲတင်းတင်းကျပ်ကျပ်ပူးတွဲတင်းတင်းကျပ်ကျပ်ပူးတွဲတင်းတင်းကျပ်ကျပ်ချိတ်ဆက်မှုဖြေရှင်းနည်းများကိုပေးသည်။ ကြီးမားသောလျှပ်စစ်ထုတ်လွှင့်ခြင်းသို့မဟုတ်ဆူညံသံကိစ္စရပ်များအတွက်ကြီးမားသော universal universal ပူးတွဲချိတ်ဆက်မှုတစ်ခုလိုအပ်လား, ထို့ကြောင့် RayDafon သည်သင်၏ဂီယာလိုအပ်ချက်များအားလုံးအတွက်အကောင်းဆုံးရွေးခြင်းဖြစ်သည်။
လိပ်စာ
Luotuo စက်မှုဇုန်, Zhenhai ခရိုင်, Ningbo City, တရုတ်
Tel
အီးမေး


+86-574-87168065


Luotuo စက်မှုဇုန်, Zhenhai ခရိုင်, Ningbo City, တရုတ်
မူပိုင်ခွင့်© RayDafon Technology Group Co. , Limited All Reserved Reserved ။
Links | Sitemap | RSS | XML | ကိုယ်ရေးအချက်အလက်မူဝါဒ |
