QR ကုဒ်
ကြှနျုပျတို့အကွောငျး
ထုတ်ကုန်များ
ကြှနျုပျတို့ကိုဆကျသှယျရနျ


ဖက်စ်
+86-574-87168065

အီးမေး

လိပ်စာ
Luotuo စက်မှုဇုန်, Zhenhai ခရိုင်, Ningbo City, တရုတ်
အကယ်. သင်၏လေးလံသောစက်ယန္တရားများ - မိုးသည်းထန်စွာရွာသွန်းသောရာသီဥတုအခြေအနေကိုစိုက်ပျိုးသောရာသီဥတုနှင့်စိုက်ပျိုးရေးလုပ်ငန်းများကိုထိန်းထားသည့်အနေဖြင့်ဆောက်လုပ်ရေးစက်ကိရိယာများကိုပြုလုပ်ပါက, ၎င်းသည်လက်မရေတွက်တိုင်းကိုသင်လိုအပ်သည့်အာဏာကိုမနှေးကွေးဘဲထိုကျစ်လစ်သိပ်သည်းသော setup များကိုအထူးတည်ဆောက်ထားသည်။
ပထမ ဦး စွာ၎င်း၏အရွယ်အစားအကြောင်းပြောဆိုကြပါစို့ - "စူပါတိုတို" ဒီဇိုင်းသည်တံဆိပ်တစ်ခုမျှသာမဟုတ်ကြပါကအခြားနားကပ်များမရောက်နိုင်သောတင်းကျပ်သောအစက်အပြောက်များသို့ 0 င်ရောက်ခြင်းကိုပြုလုပ်နိုင်သည်။ ၎င်း၏ gyring သည် 225 မီလီမီတာမှ 350 မီလီမီတာအထိရှိသည်။ တိုတောင်းသော Flex Universal ပူးတွဲတင်းကျပ်သည့်အနေဖြင့်၎င်းသည်စက်ပစ္စည်းစီးနင်းမှုကိုသယ်ဆောင်နေစဉ်စက်ယန္တရားများဆက်လက်လုပ်ဆောင်နေစဉ်စက်ယန္တရားများကိုသယ်ဆောင်နေစဉ်စက်ယန္တရားများလုပ်ဆောင်နေသည့်ပြောင်းလဲမှုအနည်းငယ်ကိုတွက်ချက်ရန်လုံလောက်သည်။ ထို့အပြင်၎င်းသည်အခြားအစိတ်အပိုင်းများသည် 0 တ်ဆင်ခြင်း၏လက်မကိုမယူသောကြောင့်ထိတ်လန့်တုန်လှုပ်စရာများနှင့်တုန်ခါမှုများကိုစုပ်ယူသည်။
ပစ္စည်းတွေအပေါ်မှာထောင့်တွေကိုငါတို့မခုတ်ခဲ့ဘူး။ ၎င်းသည်ကြာရှည်ခံနိုင်မှုနှင့်ကြေးနီအစိတ်အပိုင်းများအတွက်ခိုင်ခံ့သောသံမဏိနှင့်ပြုလုပ်ထားသောသံမဏိနှင့်ပြုလုပ်ထားသောကြောင့်၎င်း၏လှုပ်ရှားမှုအတွက်ချောမွေ့စေသော, ဒါကြောင့်၎င်းသည်အကြီးစားစက်ကိရိယာများအတွက်တစ်ကမ္ဘာလုံးဆိုင်ရာပူးတွဲနားချင်းချိတ်ဆက်မှုအတွက်ထိပ်တန်းရွေးခြင်း, အခြေအနေရှုပ်ထွေးမှုရသည့်တိုင်တစ်ကြိမ်သာအလုပ်လုပ်သည်။ လယ်သမားများအနေဖြင့်၎င်းသည်စိုက်ပျိုးရေးစက်ကိရိယာများအတွက်ယုံကြည်စိတ်ချရသောပြောင်းလွယ်ပြင်လွယ်မွေ့ခြင်းဖြစ်ပြီးရိတ်သိမ်းခြင်းရာသီ၏နာရီကြာမြင့်စွာမကျဘဲကိုင်တွယ်ရန်ခက်ခဲသည်။
SayDafon တွင်ကျွန်ုပ်တို့၏ထုတ်လုပ်မှုတွင်ကျွန်ုပ်တို့၏ထုတ်လုပ်မှုသည် ISO 9001 စံချိန်စံညွှန်းများအားလုံးကိုတင်းတင်းကျပ်ကျပ်ထားလေ့ရှိသည်။ အလုပ်အကိုင်နှစ်မျိုးမတူဘူးလို့ငါတို့သိတယ်, အကောင်းဆုံးကတော့စျေးနှုန်းကစျေးနှုန်းချိုသာစွာဖြင့်သင့်နေရာနှင့်သင်၏ဘတ်ဂျက်နှင့်ကိုက်ညီသောကြာရှည်ခံသည့်တစ်ကမ္ဘာလုံးဆိုင်ရာပူးတွဲနားစပ်စက်ကိုရရှိသည်။ အလွန်ကြီးလွန်းလွန်းလွန်းလွန်း။ အားနည်းနေသည်ဖြစ်စေ, အလွန်စျေးကြီးလွန်းသောမွေ့လျော်သောသူမည်သူမဆိုအတွက်ဤ SWP-G ပုံစံသည်သင်ရှာဖွေနေသည့်အငြင်းပွားမှုများ, စွမ်းဆောင်ရည်မြင့်မားသောဖြေရှင်းနည်းဖြစ်သည်။
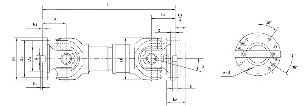
| ပုံစံ | SWP225G | Batch250G | SWP285G | swp315g | SWP350G | |
| D | 225 | 250 | 285 | 315 | 350 | |
| tn kn.m | 56 | 80 | 112 | 160 | 224 | |
| tf kn.m | 28 | 40 | 56 | 80 | 112 | |
| β≤ | 5 ° | 5 ° | 5 ° | 5 ° | 5 ° | |
| အရွယ်အစား (MM) | S | 40 | 40 | 40 | 40 | 50 |
| L | 470 | 600 | 665 | 740 | 850 | |
| D | 275 | 305 | 348 | 360 | 405 | |
| ဒေတီ | 248 | 275 | 314 | 328 | 370 | |
| D2 (H7) | 135 | 150 | 170 | 185 | 210 | |
| E | 15 | 15 | 18 | 18 | 22 | |
| e1 | 5 | 5 | 7 | 7 | 8 | |
| ခ | 32-18 | 40-18 | 40-24 | 40-24 | 50-32 | |
| h1 | 9 | 9 | 12 | 12 | 16 | |
| L1 | 80 | 100 | 120 | 135 | 150 | |
| n-d | 10-15 | 10-17 | 10-19 | 10-19 | 10-21 | |
| မီတာ (ကီလိုဂရမ်) | 78 | 142 | 190 | 260 | 355 | |
* မှတ်ချက် - ဥပမာ - နမူနာများ - gyrare အချင်း = 315mm, Installment + l = 620 မီလီမီတာ, SOMP315GX620
RayDafon ၏ SWP-G Super Flex Type Universal Tockets သည်သင်နှစ် ဦး စလုံးပြောင်းလွယ်ပြင်လွယ်မှုနှင့်အာဏာလိုအပ်သည့်တင်းကျပ်သောအစက်အပြောက်များအတွက်တည်ဆောက်ထားသည်။ torque ကိုထိထိရောက်ရောက်ရွှေ့ပြောင်းနိုင်ရန်အတွက်ကြီးမားသောအစိတ်အပိုင်းများအတွက်နေရာမရှိသောနေရာများတွင်နေရာများမရှိပါ။ ၎င်းသည်မည်သည့်ထိန်းချုပ်မှုမျှသာမဟုတ်ပါ။ ၎င်းသည်သင့်အားတိုတောင်းသောအရာတစ်ခုဖြစ်သည့်အစွန်အဖျားအဆစ်ချိတ်ဆက်မှုတစ်ခုဖြစ်ပြီး,
ဥပမာအားဖြင့်ဆောက်လုပ်ရေးပစ္စည်းကိရိယာများနှင့်အကြီးစားစက်ယန္တရားများကိုယူပါ။ ခက်ခဲသောမြေဆီလွှာထဲသို့တူးဖော်ခြင်းကိုတူးဖော်သူများသည်ပစ္စည်းများကိုရွေ့လျားနေသော 0 န်ဆောင်မှုများကိုရွေ့လျားနေကြတယ်။ SWP-G သည်စက်မှုစက်ယန္တရားများအတွက်ယုံကြည်စိတ်ချရသောစကြဝ universal university ပူးတွဲဆက်နွယ်မှုအဖြစ်ခံယူထားပြီး, ၎င်း၏စူပါတိုတိုဒီဇိုင်းသည်ကျဉ်းမြောင်းသောစည်းဝေးကြီးများသို့ထွက်ပြေးတိမ်းရှောင်ခြင်းမရှိဘဲစွမ်းအင်ကိုစွန့်လွှတ်ပိုင်ခွင့်မရှိဘဲသို့မဟုတ်မည်မျှအလုပ်လုပ်သည်ကိုသေချာစေရန်သေချာစေရန်သေချာစေသည်။
လယ်သမားများသည်လည်း၎င်းကိုတန်ဖိုးထားလိမ့်မည်။ Tractors သည်မညီမျှသောလယ်ကွင်းများကိုထွန်ယက်စိုက်ပျိုးခြင်း, ကြမ်းတမ်းသောမြေအနေအထားမှတစ်ဆင့်အလုပ်လုပ်သောရိတ်သိမ်းသူများ - သူတို့ဟာ bumpy စီးနင်းခြင်းနှင့်ပြောင်းလဲခြင်းနှင့်အတူတက်ထားနိုင်သည့်နားချင်းများလိုအပ်သည်။ ဤ SWP-G သည်စိုက်ပျိုးရေးကိရိယာများတွင် Drive တွင် Drive Shafts အတွက်ကြံ့ခိုင်သောအစွန်အဖျားချိတ်ဆက်မှုတစ်ခုအနေဖြင့်, ဆိုလိုသည်မှာစက်ယန္တရားတွင် 0 တ်ဆင်မှုနည်းသောကြောင့်လယ်ကွင်းအခြေအနေများကြမ်းတမ်းသည့်တိုင်၎င်းသည်ကြာရှည်ခံသည်။
အထူးသဖြင့်လှေများပေါ်တွင်တင်းတင်းကျပ်ကျပ်အင်ဂျင်အခန်းများတွင်ရေကြောင်းတည်ဆောက်ပုံသည်လည်း၎င်းကိုနှစ်သက်ကြသည်။ ဆားငန်ရေနှင့်အစိုဓာတ်သည်၎င်း၏ချေးခံနိုင်ရသောတည်ဆောက်မှုကိုဆန့်ကျင်။ မရပ်တည်နိုင်ပါ။ လှိုင်းတံပိုးများနှင့်တွန်းအားပေးစနစ်များမှတွန်းအားပေးသည့်ဝန်များကိုကိုင်တွယ်သည်, သင်ပင်လယ်ပြင်တွင်ဖြစ်စေ,
ထို့အပြင်မြင့်မားသောစွမ်းအင်ကိုလေရဟတ်တာဘိုင်များ, နေနှင့်အတူရွေ့လျားနေသည့်နေရောင်ခြည်စွမ်းအင်သုံးတံတွေးထွေးခြင်း ဤစနစ်များသည်အကန့်အသတ်ဖြင့်သာအကန့်အသတ်ဖြင့်သာတိကျသောထိန်းချုပ်မှုလိုအပ်သည်။ ၎င်းသည်အလွန်အမင်းမြှောက်ထားသော High Torque ကိုစီမံခန့်ခွဲသည်။ ထို့ကြောင့်ရေရှည်စွမ်းအင်စနစ်များကိုခိုင်မာအောင်လည်ပတ်ရန်အတွက်ပြုပြင်ထိန်းသိမ်းမှုပြီးပြည့်စုံသောစွမ်းဆောင်ရည်ကိုသင်လိုအပ်သည်။
RayDafon မှာ SWP-G-G-G-SWP-G-G-SESS ကိုသင့်လိုအပ်ချက်များကိုဖြည့်စွက်သည်။ သင်ဆောက်လုပ်ရေးဂီယာ, လယ်ယာစက်ယန္တရား, လှေများသို့မဟုတ်ပြန်လည်ပြည့်ဖြိုးမြဲစွမ်းအင်တည်ဆောက်မှုများတွင်သင်လုပ်ဆောင်သည်ဖြစ်စေ, သင်တည်ဆောက်နေသည့်အရာနှင့်အညီကျွန်ုပ်တို့ညှိနိုင်သည်။ ဤနားချင်းများသည်သင်၏လုပ်ငန်းများကိုချောချောမွေ့မွေ့ဖြစ်စေနိုင်ပုံကိုသင်မြင်လိုပါကကျွန်ုပ်တို့၏အသင်းသို့သာဆက်သွယ်ပါ။ တင်းကျပ်သောနေရာများနှင့်ခက်ခဲသောအလုပ်များအတွက်ဘာဖြစ်လို့လဲဆိုတော့အဲဒါကိုဘာကြောင့်စမတ်ကျတဲ့ရွေးချယ်စရာပဲ။
RayDafon ၏ SWP-G STEXT Flex အမျိုးအစားသည်၎င်း၏ Compact Builder ပူးတွဲချိတ်ဆက်မှုသည်၎င်း၏ကျစ်လစ်သိပ်သည်းသောတည်ဆောက်မှုအတွက်ပထမဆုံးအကြိမ်ဖြစ်သည်။ High-torque အလုပ်များကိုသင်ကိုင်တွယ်နေပါက၎င်းသည်ထိပ်တန်းအဆင့်မြင့်မားသော Torque ပူးတွဲချိတ်ဆက်မှုတစ်ခုဖြစ်ပြီး၎င်းသည်စက်ယန္တရားများအနေဖြင့်ပြောင်းလဲနေသော dynamular angular misalments များအတွက်ဂိမ်းကိုပြောင်းလဲခြင်းမရှိဘဲကြီးမားသော angular misaligments ကိုကိုင်တွယ်နိုင်သည့်အဆင့်မြင့် flex element တစ်ခုဖြစ်သည်။
ကြာရှည်ခံခြင်းသည်ဤနေရာတွင်နောက်ထပ်ကြီးမားသောအနိုင်ရရှိသည်။ ကျွန်ုပ်တို့သည်ခက်ခဲသော, အင်အားကြီးမားသောပစ္စည်းများအသုံးပြုပြီးအစိတ်အပိုင်းတိုင်းကိုတိကျမှန်ကန်စွာတည်ဆောက်သည်။ ၎င်းသည်မရပ်မနားပြေးနေသည့်တိုင်ပင်ပန်းနွမ်းနယ်ခြင်းနှင့်ပင်ပန်းနွမ်းနယ်နေသည်။ ၎င်းသည်စက်မှုစက်ယန္တရားများနှင့်အဆက်မပြတ် 0 န်ဆောင်မှုအောက်တွင်တုပ်ကွေး 0 န်ဆောင်မှုပေးသောစက်မှုစက်ယန္တရားများစဉ်းစားတွေးခေါ်မှုန့်များအတွက်ခိုင်မာသောတစ်ကမ္ဘာလုံးဆိုင်ရာပူးတွဲဆောင်ရွက်ခြင်းကိုပြုလုပ်သည်။ ၎င်းသည်တုန်ခါမှုနှင့်တုန်ခါမှုများကိုစုပ်ယူကာလျှပ်စစ်ဓာတ်အားထုတ်လွှင့်မှုကိုထိန်းထားရန်သင်၏ပစ္စည်းကိရိယာများသည်မလိုအပ်သော strain မယူဆသောကြောင့်ဖြစ်သည်။
၎င်း၏စူပါတိုတိုအရှည်သည် drive systems များအတွက်အသက်ကယ်သမားဖြစ်သည်။ သင်မော်တော်ယာဉ်များသို့မဟုတ်သယ်ယူပို့ဆောင်ရေးတည်ဆောက်မှုများတွင်အလုပ်လုပ်စဉ်လက်မတိုင်းနှင့်ဤနားချင်းချိတ်ဆက်မှုသည် drive ကိုရိုးတံများအတွက်ထိရောက်သော Unsuper ပူးတွဲဆက်နွယ်မှုအဖြစ်မှန်ကန်စွာကိုက်ညီသည်။ ၎င်းသည်သော့ခတ်သို့မဟုတ်သော့ချိတ်ဆက်ထားသောဆက်သွယ်မှုများကိုအသုံးပြုသည်။ ထို့အပြင် Axial Movement များကိုကောင်းစွာကိုင်တွယ်သည်, ထို့ကြောင့်အသုံးပြုမှုကာလအတွင်းအစိတ်အပိုင်းများပြောင်းလဲခြင်းကြောင့်၎င်းကိုချော်ခြင်းသို့မဟုတ်မှားယွင်းစွာမ 0 င်ပါ။
ချေးခံမှု? အဲဒါကိုဖုံးလွှမ်းထားတယ်။ အဏ္ဏဝါတည်ဆောက်မှုတွင်ကြမ်းတမ်းသောပစ္စည်းပစ္စယငန်ရေငန်နှင့်ထိတွေ့ဆက်ဆံသောအကာအကွယ်ရှိသောအဖုံးများကိုကျွန်ုပ်တို့ထည့်သည်။ ထို့ကြောင့်၎င်းသည် Propulsion စနစ်များအတွက်အဏ္ဏဝါကွန်လိုင်းများအတွက်အဏ္ဏဝါကွန်ဖရင့်တင်းမာမှုအနေဖြင့်ကောင်းမွန်သည်။
အကယ်. သင်သည် Eco-friendly friends များကိုအာရုံစိုက်နေပါကဤဆက်နွယ်မှုသည်ထိုအတိုင်းပြုလုပ်သည်။ ၎င်းသည်စွမ်းအင်ကိုအတိအကျမဆိုရန်ပုံငွေကိုအတိအကျလွှဲပြောင်းခြင်းဖြင့်အာဏာကိုမဖြုန်းတီးပါ။ ၎င်းသည်နေနှင့်အတူရွေ့လျားနေသောလေသို့မဟုတ်နေရောင်ခြည်စွမ်းအင်သုံးခြေဖဝါးများအတွက်လေ 0 ဘ်ဘိုင်များအတွက်ပြည့်စုံသောစွမ်းအင်သုံးကိရိယာများအတွက်ပြည့်စုံသောစွမ်းအင်စက်ပစ္စည်းများအတွက်ပြန်လည်ပြည့်စုံသောစွမ်းအင်စက်ကိရိယာများအတွက်ယုံကြည်စိတ်ချရသောစွမ်းအင်သုံးကိရိယာများအတွက်ယုံကြည်စိတ်ချရသောစွမ်းအင်သုံးကိရိယာများအတွက်ယုံကြည်စိတ်ချရသောစွမ်းအင်သုံးကိရိယာများအတွက်ယုံကြည်စိတ်ချရသောစ Universal ပူးတွဲဆောင်ရွက်မှုတစ်ခုဖြစ်သည်။ ၎င်းသည်ထိုရေရှည်တည်တံ့ခိုင်မြဲသောစနစ်များကိုထိထိရောက်ရောက်လည်ပတ်နိုင်ပြီးအစိမ်းရောင်စွမ်းအင်စီမံကိန်းများအတွက်သင်လိုအပ်သည်။
RayDafon တွင် SWP-G တိုင်းသည်တင်းကြပ်သောအရည်အသွေးရှိသောစံနှုန်းများနှင့်ကိုက်ညီမှုရှိစေရန်သေချာစေပြီးသင်၌ကွဲပြားသောအဖုံးများ, အနည်းငယ်ချိန်ညှိအရှည်အရှည်သို့မဟုတ်ထုံးစံအတိုင်းဆက်သွယ်မှုလိုအပ်သည်။ အကယ်. သင်၏သတ်မှတ်ချက်များနှင့် ပတ်သက်. သင်ပိုမိုသိလိုပါကသို့မဟုတ်၎င်းကိုသင်၏ setup ထဲသို့မည်သို့ပေါင်းစည်းရမည်ကိုပိုမိုသိလိုပါကကျွန်ုပ်တို့၏အထူးကုများနှင့်စကားပြောပါ။ သင်၏စက်ယန္တရားလိုအပ်သည့်အရာကိုသင်အတိအကျရရန်ကျွန်ုပ်တို့ကူညီပေးပါမည်။
⭐⭐⭐⭐⭐ Li Jian, အကြီးတန်းအင်ဂျင်နီယာ, ရှန်ဟိုင်းစက်မှုစက်ကုမ္ပဏီလီမိတက်, Ltd.
ငါတို့မှာ RayDafon ရဲ့ SWP-slex flex အမျိုးအစားကိုလအနည်းငယ်အကြာမှာကျွန်တော်တို့ရဲ့ထုတ်လုပ်မှုလိုင်းအပေါ်ကျွန်တော်တို့မှာလအနည်းငယ်အကြာမှာကျွန်တော်တို့မှာရိုးရိုးသားသားပြောရရင်ရိုးရိုးသားသားပြောနိုင်ပါတယ်။ ကျွန်ုပ်တို့၏စက်များသည်အာကာသပေါ်တွင်အမြဲတမ်းတင်းကျပ်စွာတင်းတင်းကျပ်ကျပ်ထားရှိနေသည်။ သို့သော်၎င်းသည် function ကို skimp မဟုတ်ဘဲ - လွဲမှားသော misalignment (အလွန်အမင်းအသုံးပြုမှုနှင့်မလွှဲမရှောင်သာ) ရှိသည့်အချိန်၌ပင်၎င်း၏ပြောင်းလွယ်ပြင်လွယ်မှုန့်ထုတ်လွှင့်မှုချောမွေ့ချောမွေ့ချောမွေ့ချောမွေ့ချောမွေ့စေသည်။
၎င်းသည်ချွေးကိုမချိုးဘဲမြင့်မားသော torque အလုပ်များကိုကိုင်တွယ်သောအလုပ်များကိုကိုင်တွယ်သောအလုပ်များကိုကိုင်တွယ်သည်။ တပ်ဆင်ခြင်းသည်အလုပ်တစ်ခုဖြစ်သည်။ ကျွန်တော်တို့ရဲ့အဖွဲ့သည်အချိန်မရွေးထူထောင်ခဲ့ပြီး၎င်းသည်နောင်တွင်ယုံကြည်စိတ်ချရသောဖြစ်သည်။ SPARPARE CAREARE Gear ရှိသူမည်သူမဆိုအတွက်မိုးသည်းထန်စွာ - တာဝန်စွမ်းဆောင်ရည်လိုအပ်နေဆဲဖြစ်သောဒီနားချင်းချိတ်ဆက်မှုသည် ဦး နှောက်ကိုမထိန်းချုပ်နိုင်ပါ။
⭐⭐⭐⭐⭐အမ်မလီ Waleer, နည်းပညာဆိုင်ရာဒါရိုက်တာ, နယူးယောက်ထုတ်လုပ်မှုဖြေရှင်းနည်းများ, USA
ကျွန်ုပ်တို့၏နယူးယောက်ခ်စက်ရုံတွင် RayDafon ၏ SWP-G အတွက်ကျွန်ုပ်တို့၏ဟောင်း, ကြီးမားသောနားကြပ်များကိုကျွန်ုပ်တို့ဖလှယ်ကြသည်။ ထိုအဟောင်းများအဟောင်းများသည်အာကာသအလွန်အကျွံတက်လာပြီးရှုပ်ထွေးသောခံစားခဲ့ရသည်။ သို့သော်ဤအရာသည်တင်းကျပ်သောအစက်အပြောက်များနှင့်ပါဝါလွှဲပြောင်းမှုနှင့်ကိုက်ညီသည်။ မြင့်မားသော 0 န်ဆောင်မှုများကိုကိုင်တွယ်ရန်စက်များတွန်းအားပေးနေသည့်တိုင်ချောချောမွေ့မွေ့နှင့်တည်ငြိမ်သည်။
အများဆုံးအနိုင်ရသော်လည်း, downtime ဖြစ်ပါတယ်။ အဟောင်းကိုဆက်နွယ်သောအဟောင်းကိုလှည့်ပတ်ရန်သို့မဟုတ်ပြင်ဆင်ရန်ရက်သတ္တပတ်အနည်းငယ်အကြာတွင်ထုတ်လုပ်မှုကိုရပ်တန့်ရန်အသုံးပြုခဲ့ဖူးသည်။ ခဲမဆို။ ပြုပြင်ထိန်းသိမ်းမှုစရိတ်များလွန်းခြင်း, တပ်ဆင်မှုနှင့် ပတ်သက်. မေးခွန်းတစ်ခုရှိသည့်အခါ, ငါတို့လာမယ့်အဆင့်မြှင့်တင်မှုအတွက်သူတို့ရဲ့ထုတ်ကုန်တွေကိုသုံးဖို့စီစဉ်နေပြီ။ သူတို့ကကျွန်တော်တို့ရဲ့ယုံကြည်မှုကိုရရှိခဲ့တယ်။
⭐⭐⭐⭐⭐ Andrea Rossi, စစ်ဆင်ရေးမန်နေဂျာ, မီလန်အင်ဂျင်နီယာ, အီတလီ,
ကျွန်ုပ်တို့၏မီလန်စက်များအတွက် RayDafon ၏ SWP-G Coupling ကိုပေါင်းထည့်ခြင်းကျွန်ုပ်တို့၏မြင့်မားသောအလုပ်အတွက်ကျွန်ုပ်တို့ပြုလုပ်ခဲ့သောအကောင်းဆုံးခေါ်ဆိုမှုများထဲမှတစ်ခုဖြစ်သည်။ ကျွန်ုပ်တို့၏အလုပ်ခွင်၌နေရာချထားခြင်းတွင်နေရာ, ဤအချုပ်ကိုင်ထားသောစစ်ဆေးမှုများသည်လေးထောင့်ကွက်နှစ်ခုလုံးကိုစစ်ဆေးသည်။ အရွယ်အစားသေးငယ်သောဒီဇိုင်းသည်ကျွန်ုပ်တို့၏တင်းကျပ်သောဒီဇိုင်းနှင့်ကိုက်ညီသည်။
ကျွန်တော်တို့ကို install လုပ်ပြီးကတည်းကကျွန်တော်တို့ဟာပြုပြင်ထိန်းသိမ်းမှုခေါင်းကိုက်ခြင်းနည်းပါးလာမှာနည်းတယ်။ ပြီးတော့အမြန်နှုန်းမြင့်မှာပြေးတဲ့အခါ (ငါတို့နေ့စဉ်လုပ်တာ), ကြာရှည်ခံနိုင်မှုမှာကြာရှည်ခံနိုင်သည့်အရာသည်ကျွန်ုပ်တို့မျှော်လင့်ထားသည့်အတိုင်းလပေါင်းများစွာအလွန်အမင်းအသုံးပြုမှုများအနက်, သင့်တွင်တိကျသောအလုပ်အတွက်အရည်အသွေးမြင့်မားသောထိန်းချုပ်မှုကိုလိုအပ်ပါက RayDafon သည်သွားရန်နည်းလမ်းဖြစ်သည်။
⭐⭐⭐⭐⭐ Jean-claude lefthevhevevre, Maintenance Supervisor, Lyon Country Works, ပြင်သစ်
ကျနော်တို့ RayDafon ရဲ့ SWP-G ကိုကျွန်တော်တို့ရဲ့စက်တွေမှာခြောက်လကျော်ကြာလုပ်နေကြတာပါ, ဒါကငါတို့အဖွဲ့အတွက်ဂိမ်းလဲလှယ်သူတစ်ယောက်ပါ။ ပထမ ဦး စွာကျစ်လစ်သိပ်သည်းသောဒီဇိုင်း - ကျွန်ုပ်တို့၏ပစ္စည်းကိရိယာများသည်ဤကဲ့သို့သောတင်းကျပ်သောနေရာများရှိပြီးအခြားအစိတ်အပိုင်းများကိုပြန်လည်စီစဉ်ရန်မလိုအပ်ဘဲဤနားကပ်ခြင်းတို့ကလက်လှမ်းမီသည်။ ပြီးတော့ပြောင်းလွယ်ပြင်လွယ်ရှိတယ် - ငါတို့စက်တွေထဲကဖိစီးမှုတွေကြာတယ်, ဆိုလိုတာကတခြားအစိတ်အပိုင်းများနှင့်ပြိုကွဲမှုနည်းပါးခြင်းတို့အပေါ် 0 တ်ဆင်ခြင်းနည်းသည်။
ကျွန်တော်တို့ဟာလေးလံတဲ့ဝန်တွေကိုထမ်းဆောင်ရင်တောင်ရဲ့စွမ်းဆောင်ရည်ကတသမတ်တည်း - မစ်တိုတွေ, တပ်ဆင်ခြင်းသည်ရိုးရှင်းပါသည်။ ကျွန်ုပ်တို့၏နည်းပညာများသည်နာရီပေါင်းများစွာရှာဖွေရန်မလိုအပ်ပါ။ အကောင်းဆုံးအပိုင်း? ကျွန်ုပ်တို့၏ထုတ်လုပ်မှုလိုင်းသည်ယခုအချိန်တွင်ယခုအချိန်တွင်ယခုအချိန်တွင်ယခုအချိန်တွင်တက်သည်။ ကျေးဇူးတင်ပါသည်။ RayDafon ရဲ့ထုတ်ကုန်တွေကိုလုံးဝဆက်ပြီးသုံးမယ်။
RayDafon ၏ SWP-G SUPT FLEXT TORTION TOURTING TOURTING UNFORTER TOURE TRANTIONS ကို အသုံးပြု. ဆက်သွယ်မှုကိုမချိုးဖောက်ဘဲအနည်းငယ်ရွှေ့နိုင်သောရိုးတံများအကြားပေါင်းကူးမှုကို အသုံးပြု. စဉ်းစားပါ။ ၎င်းသည် elalomeric element များကို (ပြောင်းလွယ်ပြင်လွယ်ရှိသောရာဘာကဲ့သို့သောအစိတ်အပိုင်းများအတွက်စိတ်ကူးယဉ်ဆန်သောအစိတ်အပိုင်းများ) ကိုအသုံးပြုသည်။ ကျစ်လစ်သိပ်သည်းမြင့်မြတ်သောအစက်အပြောက်အနေဖြင့်၎င်းသည် angular, axial နှင့် radial shifts ကိုစုပ်ယူသောဗဟို flexible disc သို့မဟုတ် spider တစ်ခုရရှိသည်။
၎င်းသည်မည်သို့အလုပ်လုပ်သည်ကို၎င်း၏စိတ်နှလုံးသည်၎င်း၏စူပါတိုတိုဒီဇိုင်းဖြစ်သည်။ ၎င်းသည်ခက်ခဲသော, ပြောင်းလွယ်ပြင်လွယ်သောအစိတ်အပိုင်းများကို 0 န်ဆောင်မှုနည်းစေခြင်းများကိုပေါင်းစပ်နိုင်သည်။ ထို့ကြောင့်စက်မှုစက်ယန္တရားအတွက်စက်မှုစက်ယန္တရားများအတွက်ဤသို့သောခိုင်မာသော Universal ပူးတွဲဆောင်ရွက်ခြင်းသည်အရှိန်အဟုန်မြှင့်တင်ခြင်းသို့မဟုတ် 0 န်ဆောင်မှုပေးသည်ဖြစ်စေ,
ဤတွင်ပြိုကွဲခြင်းနှင့်ပတ်သက်သော: flexible element ကိုလှုံ့ဆော်ပေးသော input shaft spins များနှင့်ထို element သည်အလုံအလောက်အဘယ်သူမျှမ raks အဘယ်သူမျှမ raps မှ output ကိုရိုးတံမှ output shaft အထိ torque ကိုသယ်ဆောင်သည်။ ၎င်းသည် drive ကိုရိုးတံများအတွက်ကြီးမားသောသဘောတူညီချက်တစ်ခုဖြစ်ပြီးသင်ကတိကျသော alignments ကဲ့သို့သော setupings တွင် drive ကိုရိုးတံအတွက် drive ကိုရိုးတံများအတွက်ယုံကြည်စိတ်ချရသောတစ်ကမ္ဘာလုံးဆိုင်ရာပူးတွဲနားစပ်ချုပ်ကိုင်မှုဖြစ်စေသည်။
လှေလှော်လှိုင်းများနှင့်ပတ် 0 န်းကျင်ပတ် 0 န်းကျင်ရှိလှိုင်းများနှင့်ပတ် 0 န်းကျင်ရှိအဏ္ဏဝါပတ် 0 န်းကျင်တွင်အမှုအရာများဝန်းရံထားသည့်အခါ SWP-G ၏ Flex ဒီဇိုင်းသည်တုန်ခါမှုနှင့်ထိတ်လန့်မှုများစုပ်ယူသည်။ ၎င်းသည်ခက်ခဲသောအဏ္ဏဝါကွန်ယက်ချိတ်ဆက်မှုတစ်ခုဖြစ်သောကြောင့်ပြောင်းလွယ်ပြင်လွယ်ရှိသောအစိတ်အပိုင်းများသည်လှိုင်းတံပိုးမှနောက်ကျောနှင့်ထွက်ပေါ်လာသောရွေ့လျားမှုကိုတွန်းလှန်နိုင်သည့်အတွက်လှိုင်းများထံမှနောက်ကျောနှင့်ထွက်ပေါ်လာသောရွေ့လျားမှုကိုကိုင်တွယ်ခြင်း,
နှင့်အစိမ်းရောင်စွမ်းအင်တည်ဆောက်မှုအတွက်? ဒီနိယာမလည်းအဲဒီမှာထွန်းလင်း။ ၎င်းသည်စွမ်းအင်ကိုထိထိရောက်ရောက်လှုပ်ရှားစေပြီးမည်သည့်ဆုံးရှုံးမှုကိုမဆိုပြန်လည်ပြည့်ဖြိုးမြဲစွမ်းအင်သုံးပစ္စည်းကိရိယာများအတွက်ကြီးမားသော Universal ပူးတွဲဆက်နွယ်မှုတစ်ခုပြုလုပ်ရန်ဖြစ်သည်။ ၎င်းသည်ကျစ်လစ်သိပ်သည်းသောနေရောင်ခြည်စွမ်းအင်သုံးဖိုင်များသို့မဟုတ်လေရဟတ်တာဘိုင်များ၌ရှိ,
RayDafon မှာ SWP-G ကိုယုံကြည်စိတ်ချရအောင်, အကယ်. သင်သည်နည်းပညာဆိုင်ရာအသေးစိတ်အချက်အလက်များကိုလိုချင်လျှင်သို့မဟုတ်သင်၏ setup ကိုမည်သို့ကိုက်ညီသည်ကိုရှာဖွေရန်လိုအပ်ပါကကျွန်ုပ်တို့၏အထူးကုများသည်သင့်အားလမ်းလျှောက်ရန်ဤနေရာတွင်ရောက်ရှိလာရန်ဤနေရာတွင်သင်ကဤနေရာတွင်လမ်း လွဲ. ဂျက်မွန်မဟုတ်ပါ။
လိပ်စာ
Luotuo စက်မှုဇုန်, Zhenhai ခရိုင်, Ningbo City, တရုတ်
Tel
အီးမေး


+86-574-87168065


Luotuo စက်မှုဇုန်, Zhenhai ခရိုင်, Ningbo City, တရုတ်
မူပိုင်ခွင့်© RayDafon Technology Group Co. , Limited All Reserved Reserved ။
Links | Sitemap | RSS | XML | ကိုယ်ရေးအချက်အလက်မူဝါဒ |
