QR ကုဒ်
ကြှနျုပျတို့အကွောငျး
ထုတ်ကုန်များ
ကြှနျုပျတို့ကိုဆကျသှယျရနျ


ဖက်စ်
+86-574-87168065

အီးမေး

လိပ်စာ
Luotuo စက်မှုဇုန်, Zhenhai ခရိုင်, Ningbo City, တရုတ်
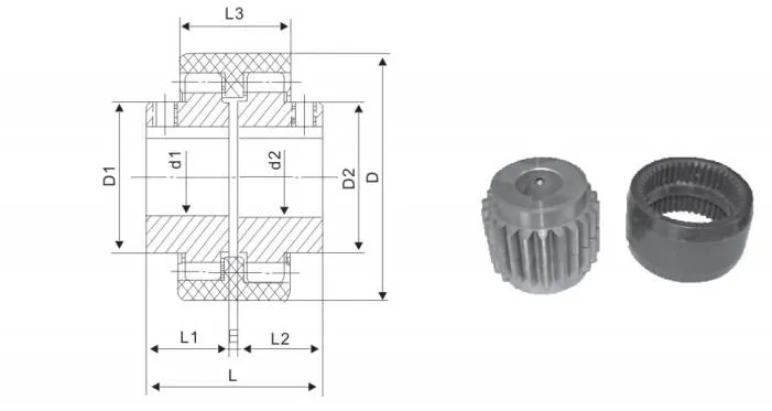
အကယ်. သင်သည်တစ်နေ့လုံးအရည်များကိုရွေ့လျားနေသောစုပ်စက်များကဲ့သို့သောစက်ယန္တရားများကိုသင်ကိုင်တွယ်နေပါက, ဒါက RayDafon ရဲ့ NL Type Nylon Gear ပြောင်းလွယ်ပြင်လွယ်ကိုတည်ဆောက်ထားတာပါ။ 4 င်း၏ 4 မီလီမီတာမှ 4 မီလီမီတာအထိ 4mm အထိကိုင်တွယ်သည်။
NL1 မှ NL1 မှ Models များအားလုံးကို NL10 သို့သွားနိုင်ပြီ, Torque Capacities 40 မှ 3150 N မှ 3150 N မှ 350 အထိနှင့်အချင်းများသည် 6 မီလီမီတာမှ 100 မီလီမီတာအထိရှိသည်။ ဒီနိုင်လွန်ဂီယာပြောင်းလွယ်ပြင်လွယ်မချုပ်တည်းနိုင်သောရပ်တည်ချက်ကိုအဘယ်အရာက၎င်း၏တည်ဆောက်မှုဖြစ်စေသည်။ ဒီ combo ကတိတ်ဆိတ်ငြိမ်သက်နေပြီ, ပြုပြင်ထိန်းသိမ်းမှုအတွက်ပြုပြင်ထိန်းသိမ်းမှုအတွက်သင့်ကိုနှေးကွေးစေဖို့မလွယ်ကူပါ။ ၎င်းသည်စက်မှုစက်ယန္တရားများအတွက်ပြောင်းလွယ်ပြင်လွယ်ဂီယာချိတ်ဆက်မှုအတွက်သင်ဟာပန့်များနှင့်အထူးလုပ်ဆောင်နေပါက၎င်းသည်ပန့်များနှင့်အထူးလုပ်ဆောင်နေပါက၎င်းသည်ပတ် 0 န်းကျင်ပန့်များအတွက်ယုံကြည်စိတ်ချရသော Nylon Sear Couplings များထဲမှတစ်ခုဖြစ်သည်။ ထို့အပြင်၎င်း၏ကျစ်လစ်သိပ်သည်းသောဒီဇိုင်းသည်တင်းတင်းကျပ်ကျပ်တပ်ဆင်ထားသည်။ သင်၏ Workspace သည် Chilly သို့မဟုတ် Loint ရှိလျှင် -20 ဒီဂရီစင်တီဂရိတ်နှင့် + 70 ဒီဂရီစင်တီဂရိတ်အကြားချောချောမွေ့မွေ့အလုပ်လုပ်သည်။
Raydafon မှာဒီနားချင်းတွေကိုတရုတ်နိုင်ငံမှာလုပ်တယ်, ISO 9001 စံသတ်မှတ်ချက်တွေကိုတင်းကြပ်စွာကပ်ထားပြီး, Nylon Sleyyte သည်အားကြီးသော, ၎င်းသည်စိုစွတ်သောနေရာများသို့မဟုတ်အခြားနားကပ်များသံချေးသို့မဟုတ်တိုတောင်းသောဓာတုပစ္စည်းများနှင့်အတူစိုထိုင်းသောနေရာများသို့မဟုတ်ဒေသများအတွက်ဂိမ်းလဲလှယ်သူဖြစ်သည်။ ထို့အပြင်၎င်း၏ရိုးရှင်းသောတည်ဆောက်ပုံသည်စည်းဝေးပွဲနှင့်စိတ်ပျက်ဖွယ်ကောင်းသောလေညရောင်ဖြစ်စေသည်။ ဒါကြောင့်ဒါကြောင့်စိတ်ကြိုက် Nylon Gear Couplings အတွက်ထိပ်တန်းရွေးစရာတစ်ခုဖြစ်ပြီးသင့်ရဲ့တိကျသော setup ကို fit နဲ့ fit ဖို့ twestile or spinning စက်တွေအတွက်စဉ်ဆက်မပြတ်ရွေ့လျားနေတဲ့အလျင်အမြန်ပြောင်းလွယ်ပြင်လွယ်တဲ့ဂီယာလုပ်ရိုးလုပ်စရာတစ်ခုပါ။
အရွယ်အစားအမျိုးမျိုးနှင့်ရိုးတံ configurations အမျိုးမျိုးကိုကျွန်ုပ်တို့ကမ်းလှမ်းသောကြောင့်သင်၏စက်ယန္တရားများနှင့်အံဝင်ခွင်ကျဖြစ်စေသောစုံတွဲတစ်တွဲ - အရွယ်အစားနှင့်မတူသောရွေးချယ်စရာမဟုတ်ပါ။ ပြီးတော့ငါတို့စျေးနှုန်းယှဉ်ပြိုင်မှုကိုစောင့်ရှောက်နေတဲ့အတွက်အရည်အသွေးအတွက် overspend လုပ်ဖို့မလိုပါဘူး။ ကမ္ဘာတစ်ဝှမ်းရှိစီးပွားရေးလုပ်ငန်းများအတွက်ဤနည်းသည်အချိန်နည်းသောအချိန်နည်းပါးခြင်းနှင့်ပိုမိုကောင်းမွန်သောကိရိယာများထိရောက်မှုကိုထိရောက်စွာအသုံးပြုသည်။
NL Type NALON Gear Gear မှပြောင်းလွယ်ပြင်လွယ်မှု၏အဓိကလုပ်ဆောင်ခြင်းသည် torque tritting ကိုရရှိရန် Meshing Geare Heets ကိုမှီခိုနေရပြီး Nylon System Misalignment အတွက် 0 င်ရောက်ခြင်းကိုထိထိရောက်ရောက်လျော်ကြေးပေးနိုင်သော်လည်းထိတ်လန့်တုန်လှုပ်ဖွယ်ကောင်းသောအခန်းကဏ် play ကိုသာလျော်ကြေးပေးနိုင်သည်။ ဤဖွဲ့စည်းတည်ဆောက်ပုံဆိုင်ရာဒီဇိုင်းတွင်ပြင်ပသွားများနှင့်အတူအချက်အချာကျသောအချက်နှစ်ချက်ကိုပါလီမန်တွင်ပါလီမန်ပြည်တွင်းဂီယာလက်ဖြင့်ချိတ်ဆက်ထားသည်။ ဤပေါင်းစပ်မှုသည်စက်မှုစနစ်များတွင်ထိရောက်သောလျှပ်စစ်ထုတ်လွှင့်မှုကိုသေချာစေရုံသာမကစစ်ဆင်ရေးအတွင်းထုတ်လုပ်သောတုန်ခါမှုနှင့်သက်ရောက်မှုများကိုသိသိသာသာလျော့နည်းစေသည်။ ဤဒီဇိုင်းအားသာချက်သည်အသေးစားနှင့်အလတ်စားပစ္စည်းကိရိယာများနှင့်အံဝင်ခွင်ကျဖြစ်ရန်လိုအပ်သည့် NL Type Nylon Gear ပြောင်းလွယ်ပြင်လွယ်ရှိသောလက်သုံးပစ္စည်းများကိုလျှောက်လွှာတင်ရန်အတွက်အထူးသဖြင့်ထင်ရှားသည်။
ကားမောင်းသည့်ရိုးတံသည်အချက်အချာတစ်ခုမှ torque ကို torque ရိုက်ကူးသည့်အခါ, 0 င်ရောက်သည့်အခြေအနေများအောက်တွင်ရှိသော angular, အပြိုင်သို့မဟုတ် Axial Misalignment ရှိသည့် angular system angular misalignment ရှိသည့်အခြေအနေများတွင်ပင်ဤ meshing ဂီယာယန္တရားသည်ပစ္စည်းကိရိယာများတည်ငြိမ်မှုကိုသေချာစေနိုင်ဆဲဖြစ်သည်။ ထို့ကြောင့်, အလိုအလျောက်ထုတ်လုပ်မှုလိုင်းများနှင့်သယ်ယူပို့ဆောင်ရေးကိရိယာများ၏မောင်းနှင်မှုကိရိယာများနှင့်သယ်ယူပို့ဆောင်ရေးကိရိယာများ၏မောင်းနှင်မှုကိရိယာများကဲ့သို့သောယုံကြည်စိတ်ချရသောပြောင်းလွယ်ပြင်လွယ်ရှိသောဂီယာချိတ်ဆက်မှုလိုအပ်သည့်ကွက်လပ်များတွင် nl type nylon Gear ပြောင်းလွယ်ပြင်လွယ်မှုသည်ပိုမိုနှစ်သက်သောထုတ်ကုန်ဖြစ်သည်။
NL Type Nylon Gear ပြောင်းလွယ်ပြင်လွယ်ထိန်းချုပ်ခြင်းတွင်အသုံးပြုထားလေတွဲပစ္စည်းသည်အလွန်ကောင်းမွန်သော elasticity နှင့် damping property များရှိသည်။ ပရော်ဖက်ရှင်နယ်ဂီယာနားကပ်စက်တစ်ခုအနေဖြင့် RayDafon သည်အဆင့်မြင့်ပစ္စည်းများရွေးချယ်ပြီး NL အမျိုးအစားများကိုထုတ်လုပ်သည့်အခါထုတ်လုပ်မှုလုပ်ငန်းများကိုထုတ်လုပ်သည့်အခါထုတ်ကုန်များကိုကွဲပြားသောလုပ်ငန်းခွင်အခြေအနေများအောက်တွင်အလွန်ကောင်းမွန်သောစွမ်းဆောင်ရည်ကိုဆက်လက်ထိန်းသိမ်းထားသည်။ ဥပမာအားဖြင့်, variable loads နှင့်ပတ်သက်သောအခြေအနေများတွင် NL Type Nylon Gear Gear Gear မှပြောင်းလွယ်ပြင်လွယ်မှုန့်ကို Raydafon မှထုတ်လုပ်သော 0 င်ငွေ၏ပြောင်းလွယ်ပြင်လွယ်မှုန့်သည်အလွန်ကောင်းမွန်သောလွဲမှားသောလျော်ကြေးပေးခြင်းနှင့်ပစ္စည်းကိရိယာများကိုလျော့နည်းစေသည်။
NL Type Nylon Gear Gear မှပြောင်းလွယ်ပြင်လွယ်ရှိသောပြောင်းလွယ်ပြင်လွယ်ရှိသောပြောင်းလွယ်ပြင်လွယ်မှုများကိုထိန်းသိမ်းရန်တည်ငြိမ်သောလုပ်ငန်းခွင်စွမ်းဆောင်ရည်ကိုထိန်းသိမ်းရန်အတွက်နေ့စဉ်ပြုပြင်ထိန်းသိမ်းမှုသည်မရှိမဖြစ်လိုအပ်သည်။ ကျိုးကြောင်းဆီလျော်သောချောဆီဂီယာသွားကွက်များတွင်ပွတ်တိုက်မှုဆုံးရှုံးမှုကိုလျှော့ချနိုင်ပြီး, ယေဘုယျအားဖြင့် NL Type Nylon Gear ပြောင်းလွယ်ပြင်လွယ်ဆက်ကပ်အပ်နှံမှု၏လုပ်ငန်းနိယာမသည်တင်းကျပ်သောအချက်အချာနှင့်ပြောင်းလွယ်ပြင်လွယ်နိုင်လွန်လက်စနိတ်တို့၏ပြောင်းလွယ်ပြင်လွယ်မှု၏ပြောင်းလွယ်ပြင်လွယ်မှုနှင့်တည်ငြိမ်မှုကိုထည့်သွင်းစဉ်းစားနေစဉ်ခိုင်မာသော torque ဂီယာကိုရရှိရန်ဖြစ်သည်။ အတွေ့အကြုံရှိဂီယာချုပ်ကိုင်ထားသောကုန်ပစ္စည်းပေးသွင်းသူတစ် ဦး အနေဖြင့် RayDafon သည်စွမ်းဆောင်ရည်မြင့်မားစွာလိုက်လျောညီထွေဖြစ်အောင်လုပ်ပိုင်ခွင့်နှင့်မြင့်မားသောကြာရှည်ခံမှုနှင့်မြင့်မားသောကြာရှည်စွာထိန်းသိမ်းထားနိုင်မှုနှင့်အတူဖောက်သည်များကိုထောက်ပံ့ပေးနိုင်သည့်ထုတ်ကုန်အမျိုးမျိုးတွင်ကုန်ပစ္စည်းတိကျမှုနှင့်ယုံကြည်စိတ်ချရမှုကိုအမြဲတမ်းထိန်းချုပ်ထားသည်။
NL Type Nylon Gear Flexible Counting သည်စက်ပိုင်းဆိုင်ရာအခြေအနေများတောင်းဆိုရာတွင်စွမ်းဆောင်ရည်မြင့်မားသော application များအတွက်အထူးသဖြင့်အင်ဂျင်နီယာကိုအထူးအင်ဂျင်နီယာကိုအထူးအင်ဂျင်နီယာကိုအထူးအင်ဂျင်နီယာဖြစ်သည်။ ၎င်းသည်တည်ငြိမ်သောလျှပ်စစ်ဓာတ်အားထုတ်လွှင့်မှုကိုသေချာစေရန်အတွက်တည်ငြိမ်သောလျှပ်စစ်ဓာတ်အားပေးချက်ကိုပြောင်းလွယ်ပြင်လွယ်စွာလိုက်လျောညီထွေဖြစ်အောင်ပြုလုပ်နိုင်သည်။ ဤထိန်းချုပ်မှု၏အဓိကဒီဇိုင်းကိုအဓိကဒီဇိုင်းပြထားသည်မှာ၎င်း၏အင်အားကြီးမားသောနိုင်လွန်လက်လက်၌ရှိသည်။ ၎င်းသည်အထူးသဖြင့်အထူးသဖြင့်အရေးပါသောပြောင်းလွယ်ပြင်လွယ်နိုင်လွန်နဲလံလက်စုဝင့်လက်ကိုင်လက်များလက်ကိုင်လက်ကိုင်လက်ကိုင်လက်ကိုင်လက်ကိုင်လက်ကိုင်လက်ကိုင်လက်ကိုင်လက်ကိုင်လက်ကိုင်လက်ကိုင်လက်စတားနားနားစန်တင်းပဏ်နာကာကွယ်ရေးအစိတ်အပိုင်းတစ်ခုအဖြစ်သင့်လျော်သည်။
Torque Transmission Clfacter ၏စည်းကမ်းချက်များအရ NL Type Nylon Gear ပြောင်းလွယ်ပြင်လွယ်ထိန်းချုပ်မှုသည်ထူးချွန်သောဝန်လိုအပ်ချက်များကိုအလွယ်တကူကိုင်တွယ်နိုင်သည်။ ပါဝါဂီယာတွင်ယုံကြည်စိတ်ချမှုမြင့်မားသောအမြင့်ဆုံးယုံကြည်စိတ်ချရမှုရှိသည့်အမြင့်ဆုံးသောစက်ကိရိယာများ, သတ္တုတွင်းစက်ပစ္စည်းကိရိယာများသို့မဟုတ်အကြီးစားသယ်ယူပို့ဆောင်ရေးပစ္စည်းကိရိယာများအားလုံးတွင်ဖြစ်စေ, စက်မှုလုပ်ငန်းလည်ပတ်နေစဉ်အတွင်း Shaft Misalignmention ၏ဘုံပြ issue နာကိုဖြေရှင်းသည့်အခါဤရွေ့ကားပြောင်းလွယ်ပြင်လွယ်နိုင်လွန်ဂီယာဂီလ်ကမူအလွန်ကောင်းမွန်သောအလိုက်သင့်ပြောင်းလဲခြင်းကိုလည်းပြသသည်။ ၎င်းသည် angular misalignment, misalignment နှင့် axial misalignment အတွက် 0 င်ရောက်စွက်ဖက်ခြင်းနှင့် 0 င်ရောက်နိုင်သည်။ ဤအင်္ဂါရပ်သည်အထူးသဖြင့်ရေရှည်စဉ်ဆက်မပြတ်လည်ပတ်ရန်လိုအပ်သည့်ထုတ်လုပ်မှုပစ္စည်းကိရိယာများအတွက်အထူးအရေးကြီးသည်။
ထို့အပြင် NL Type Nylon Gear ပြောင်းလွယ်ပြင်လွယ်ရှိသောပိတ်လှောင်ခြင်း၏နိုင်လွန်ပစ္စည်းသည်အလွန်ကောင်းမွန်သောထိတ်လန့်တုန်လှုပ်ဖွယ်စုပ်ယူမှုနှင့်ကြားခံပစ္စည်းများကိုပိုင်ဆိုင်သည်။ ပစ္စည်းကိရိယာလည်ပတ်နေစဉ်အတွင်း၎င်းသည်တုန်ခါမှုနှင့်လှုပ်ခြင်းများ၏အကျိုးသက်ရောက်မှုကိုထိထိရောက်ရောက်လျှော့ချနိုင်ပြီးဂီယာစနစ်၏ smoother smoualing ။ အကျိုးဆက်အားဖြင့်တက်ကြွသောအလုပ်အခြေအနေများတွင်မကြာခဏတုန်ခါမှုများနှင့်အတူပြောင်းလဲနေသောအလုပ်အခြေအနေများတွင်များစွာသောစီးပွားရေးလုပ်ငန်းများအတွက်နိုင်လွန်ဂီယာကိရိယာများဆက်လုပ်ခြင်းဖြေရှင်းနည်းဖြစ်လာသည်။ Corrosion ခုခံမှုအရ Nylon လက်များ၏အလွန်ကောင်းမွန်သောဓာတုဓာတ်အားပေးထားသောဓာတုဓာတ်ကောက်ယူခံမှုအပြင်ဤနားကပ်၏သတ္တုအစိတ်အပိုင်းများသည်အထူးကုသမှုကိုအထူးကုသမှုခံယူခြင်း, စိုထိုင်းဆ, ရိုးရာတင်းကျပ်သောတင်းကျပ်သော couplings နှင့်နှိုင်းယှဉ်လျှင်၎င်းသည်ပြင်းထန်သောအလုပ်လုပ်နေသောအခြေအနေများတွင်ပြင်းထန်သောအလုပ်ရုံဆွေးနွေးပွဲများတွင်ပိုမိုကောင်းမွန်သောအလိုက်သင့်စွာလိုက်လျောညီထွေဖြစ်အောင်ပြုလုပ်ပေးသည်။
စစ်ဆင်ရေးနှင့်ပြုပြင်ထိန်းသိမ်းမှု၏ရှုထောင့်ရှုထောင့်မှ NL Type Nylon Gear ပြောင်းလွယ်ပြင်လွယ်မချုပ်တည်းမှုကပြုပြင်ထိန်းသိမ်းမှုကင်းသောဒီဇိုင်းကိုကျင့်သုံးသည်။ ၎င်းသည်နေ့စဉ်ပြုပြင်ထိန်းသိမ်းမှုပမာဏကိုလျှော့ချရုံသာမကနေ့စဉ်ပြုပြင်ထိန်းသိမ်းမှုကြောင့်ဖြစ်ပေါ်လာသောပစ္စည်းများ၏အားနည်းချက်များကိုလျော့နည်းစေသည် ၎င်းသည်စွမ်းဆောင်ရည်နိမ့်သောပြောင်းလွယ်ပြင်လွယ်ဂီယာလက်မထပ်ဆောင်းထုတ်လုပ်မှုများပြုလုပ်နေသည့်စက်မှုလုပ်ငန်းများ၏ရွေးချယ်မှုစံနှုန်းများနှင့်အပြည့်အ 0 ကိုက်ညီမှုရှိသည့်လုပ်ငန်းလည်ပတ်မှုကုန်ကျစရိတ်နှင့်အပြတ်အသတ်များကိုထိရောက်စွာထိန်းချုပ်သည်။ ဤအတောအတွင်း၎င်း၏ဖွဲ့စည်းပုံသည်ပေါ့ပါးပြီးကျစ်လစ်သိပ်သည်းခြင်း, အာကာသအကန့်အသတ်ရှိသောစက်ပစ္စည်းအပြင်ဘက်တွင်ပင်ဤကျစ်လစ်သိပ်သည်းသောနိုင်လွန်ဂီယာချိတ်ဆက်မှု၏စည်းဝေးပွဲကိုအလွယ်တကူပြီးစီးနိုင်ပြီးပစ္စည်းကိရိယာများတပ်ဆင်ခြင်းနှင့်ထိန်းသိမ်းခြင်း၏ထိရောက်မှုကိုပိုမိုတိုးတက်စေနိုင်သည်။
အချုပ်အားဖြင့် NL Type Nylon Gear Gear မှပြောင်းလွယ်ပြင်လွယ်မှုဖြင့်ထုတ်လွှင့်ခြင်းစနစ်သို့ချိတ်ဆက်ခြင်းသည်ပစ္စည်းကိရိယာများအတွက်ပိုမိုတည်ငြိမ်ပြီးထိရောက်သောလုပ်ငန်းလည်ပတ်မှုအထောက်အပံ့များကိုထောက်ပံ့ပေးသည်။ အထူးသဖြင့်တိကျသောထုတ်လွှင့်ရန်လိုအပ်သည့်တိကျသောထုတ်လုပ်မှုနယ်ပယ်တွင်ဤစွမ်းဆောင်ရည်မြင့်မားသောနိုင်လွန်ထိရှိရှိဖြင့်ပြုလုပ်နိုင်သည့်အလားအလာရှိသောဒီဇိုင်းနှင့်အညီ,
NL Type Nylon Gear Flexible Coupling သည်ပုံမှန်အားဖြင့်တည်ငြိမ်သောစွမ်းအင်လွှဲပြောင်းမှုလိုအပ်သည့်စက်မှုတပ်ဆင်မှုအမျိုးမျိုးအတွက် Go-to ထုတ်လွှင့်သည့်အပိုင်းဖြစ်သည်။ ၎င်းကိုရပ်တည်စေသောအရာမှာနိုင်လွန်လက်များသည်တုန်ခါမှုနှင့်သေးငယ်သောရိုးတံ misalignments များကိုပြုပြင်ရန်နှင့်ပြုပြင်ရန်မှန်မှန်ကန်ကန်မဆို,
ဥပမာစက်မှုစက်ယန္တရားကိုယူပါ။ ဒီနားကပ်ချုပ်ကိုင်ထားခြင်းသည်မော်တာများနှင့် compressor များသို့မော်တာများကိုချိတ်ဆက်ရန်အလွန်ကောင်းမွန်သည်။ ထိုစက်များလည်ပတ်သောအခါသူတို့သည်စနစ်မှတဆင့်ရုတ်တရက်ထိတ်လန့်တုန်လှုပ်စေသောဝန်များကိုမကြာခဏပေးပို့လေ့ရှိသော်လည်း NL Type Nylon Gear ပြောင်းလွယ်ပြင်လွယ်မပိတ်နိုင်အောင်ပြုလုပ်နိုင်သည်။ နှင့် conveyor လိုင်းများပေါ်တွင်သင်သိ, စက်ရုံများမှ nylomes မရှိတော့တဲ့ပစ္စည်းများကိုပြောင်းရွှေ့ခြင်း - ဤစက်မှုဇုန်လက်စ်လက်ဆုပ်လက်စ်လက်စ်လက်စ်လက်စကပ်စတားကအရာရာကို 0 န်ဆောင်မှုပေးသည့်တိုင်အရာရာကိုချောမွေ့စေသည်။ များသောအားဖြင့်ကျိုးပဲ့နေသည့်တင်းကျပ်သောတင်းကျပ်သောနားရွက်ဟောင်းများနှင့်မတူဘဲဤအရာသည်အချိန်ဖြုန်းခြင်းနှင့်သင်ပြုပြင်သည့်ငွေများကိုဖြုန်းတီးသောငွေကိုဖြတ်တောက်သည်။
အထူးသဖြင့် drive ရိုးတံနှင့်စတီယာရင်အစိတ်အပိုင်းများအတွက်မော်တော်ကားသယ်ယူပို့ဆောင်ရေးကမ္ဘာသည်၎င်းကိုအသုံးပြုသည်။ ကားများနှင့်ကုန်တင်ကားများသည်ရွေ့လျားသည့်အခါ trapings တုန်ခါမှုများစွာကိုကိုင်တွယ်ဖြေရှင်းရန်လိုသည်။ ၎င်းသည်ယာဉ်ကိုပိုမိုကောင်းမွန်အောင်ပြုလုပ်နိုင်ရုံသာမကပိုမိုလုံခြုံမှုရှိစေရန်လည်းပိုမိုလုံခြုံသည်။
CNC စက်များသို့မဟုတ်စက်မှုစက်ရုပ်များကဲ့သို့တိကျသောဂီယာချိတ်ဆက်မှုအသုံးပြုမှုနှင့်ပတ်သက်လျှင်ဤနားချင်းချိတ်ဆက်မှုသည်အမှန်တကယ်တောက်ပနေသည်။ ထိုစက်များသည်မြန်ဆန်စွာလည်ပတ်နေပြီးစူပါတိကျသောလှုပ်ရှားမှုလိုအပ်သည်။ NL Type Nylon Gear Flexible Coupling သည်မြန်နှုန်းမြင့်မားစွာဖြင့်တက်နေစဉ်အတွင်းထိုပြ issues နာများကိုဖြေရှင်းသည်။ ထို့ကြောင့်ကုမ္ပဏီများစွာသည်အလိုအလျောက်တပ်ဆင်ခြင်းကိုတည်ဆောက်ခြင်းသည်စိတ်ကြိုက်တည်ဆောက်မှုများလိုအပ်သည့်အခါ NYLON Gear Gearets အတွက်ဤနိုင်လွန် cnc ပစ္စည်းကိရိယာများအတွက်ဤနိုင်လွန်ဂီယာချိတ်ဆက်မှုကိုရှာဖွေသည်။
၎င်းကို HVAC စနစ်များနှင့်ရေသန့်စင်စက်ရုံများတွင်လည်းတွေ့လိမ့်မည်။ ထိုနေရာများသည်ပရိသတ်များနှင့်မှုတ်များကိုများစွာအသုံးပြုသည်။ ထိုအစိတ်အပိုင်းများသည်အလွန်အမင်းတုန်ခါနေပါကသူတို့သည်ကျယ်လောင်။ ပြိုကွဲသွားသည်။ HVAC ပရိသတ်များအတွက်ဤတုန်ခါမှု - ပြောင်းလွယ်ပြင်လွယ်ရှိသောပြောင်းလွယ်ပြင်လွယ်ဂီယာချိတ်ဆက်မှုကဆူညံသံကိုထိန်းချုပ်ထားသည်။
အားလုံးတွင် NL Type Nylon Gear ပြောင်းလွယ်ပြင်လွယ်မချိတ်ဆက်မှုသည်မည်သည့်စက်မှုလုပ်ငန်းနီးပါးအတွက်ဘတ်ဂျက်ဖော်ရွေရွေးချယ်မှုတစ်ခုဖြစ်သည်။ ၎င်းသည်ခက်ခဲပြီးတပ်ဆင်ရန်လွယ်ကူပြီးအလုပ်ကိုလုပ်သည်။ အကယ်. သင်ယုံကြည်စိတ်ချရသောစက်မှုလုပ်ငန်းဂီယာဖြည့်တင်းသောကုန်ပစ္စည်းပေးသွင်းသူကိုရှာဖွေနေပါကသင်၏လိုအပ်ချက်များနှင့်ကိုက်ညီသောစိတ်ကြိုက်ရွေးချယ်စရာများနှင့်ချိတ်ဆက်နိုင်သည်။
⭐⭐⭐⭐⭐ဝမ် Lei, စက်မှုအင်ဂျင်နီယာ, Guangzhou စက်ပစ္စည်းကုမ္ပဏီလီမိတက်, Ltd.
ငါတို့မှာ RayDafon ရဲ့ NL Type Nylon Gear Gear Gear ပြောင်းလွယ်ပြင်လွယ်တဲ့ပြောင်းလွယ်ပြင်လွယ်မချိတ်ဆက်ထားတာတွေဖြစ်ပြီးအခုအချိန်မှာကျွန်တော်တို့ကြိုးစားခဲ့ဖူးတဲ့အခြားနားချင်းတွေထက်တည်ငြိမ်တဲ့ဖျော်ဖြေမှုတစ်ခုဖြစ်ပါတယ်။ Nylon Gear Design သည် Torque ကိုချောချောမွေ့မွေ့ရွေ့လျားစေပြီးတုန်ခါမှုမပြောင်းလဲနိုင်ပါ။
တပ်ဆင်မှုသည်စုစုပေါင်းလေပြေဖြစ်သည်။ ကျွန်တော်တို့ရဲ့ပစ္စည်းကိရိယာမှာနေရာပိုတွေအများကြီးမရှိဘူး, ဒါပေမယ့်ဒီနားချင်းချိတ်ဆက်မှုဟာအကောင်အထည်ဖော်မှုကိုအကောင်အထည်ဖော်စရာမလိုပါဘူး။ ဒါဟာ nonstop လည်ပတ်နေပြီး 0 တ်ဆင်စရာကောင်းသည့်လက္ခဏာများရှိသည်။ ဒီကြာရှည်ခံမှုဆိုတာကျွန်တော်တို့ဟာထုတ်လုပ်မှုကိုမကြာခဏပြုပြင်မွမ်းမံဖို့ဒါမှမဟုတ်အစားထိုးဖို့မထုတ်လုပ်ဘူးဆိုတာဆိုလိုတာပါ။ အားလုံးတွင်၎င်းသည်ကျွန်ုပ်တို့လိုအပ်သည့်အတိုင်းအတိအကျလုပ်သောအစိုင်အခဲ, ကုန်ကျစရိတ်သက်သာသည့်ရွေးချယ်မှုဖြစ်သည်။
⭐⭐⭐⭐⭐ဂျွန်စမစ်, စက်ရုံမန်နေဂျာ, ချီကာဂိုစက်မှုဆိုင်ရာဖြေရှင်းနည်းများ, အမေရိကန်
ကျွန်ုပ်တို့၏ချီကာဂိုစက်ရုံရှိ RayDafon ၏ NL Type Nylon Gear One အတွက်ကျွန်ုပ်တို့၏သတ္တုကြိုးဟောင်းများကိုကျွန်ုပ်တို့လွှဲပြောင်းယူပြီးအပြောင်းအလဲသည်နေ့ရောညပါတစ်ရက်ဖြစ်သည်။ အသည်းကွဲတဲ့တုန်ခါမှုကတုန်ခါမှုကိုလျော့နည်းစေသလား။ သွားပြီ အဟောင်းနားရွက်မှကျယ်လောင်သော hug? ကြမ်းပြင်ကအေးအေးဆေးဆေးနေပြီးကြမ်းပြင်ကအေးအေးဆေးဆေးခံစားရတယ်။ အာဏာလွှဲပြောင်းလား။ ငါတို့လေးလံသောဝန်များကိုလုပ်ကိုင်နေသည့်တိုင်တတ်နိုင်သမျှချောချောမွေ့မွေ့။
ထို့အပြင်၎င်းသည် misalignment lay ကိုသတ္တုထက် misalignment နည်းလမ်းကိုသတ္တုထက် ပို. ကောင်းသည်။ Aradafon လည်းကျွန်တော်တို့ကိုမြန်မြန်ဆန်ဆန်မြန်မြန်ဆန်ဆန်ရစေတယ်။ Delivery သည်အချိန်ဇယားနှင့်အရည်အသွေးရှိသောထိပ်တန်းထစ် - စျေးပေါသောအစိတ်အပိုင်းများသို့မဟုတ်စိတ်ပျက်ဖွယ်ကောင်းသောအလုပ်များ။ ငါကအခြားစက်ရုံမန်နေဂျာအနည်းငယ်ကိုပြောပြီးသား, ဤအရာသည်သင်စကားလုံးများကိုကျော်ဖြတ်လိုသောထုတ်ကုန်အမျိုးအစားဖြစ်သည်။
⭐⭐⭐⭐⭐ anna Müller, Maintenance Supervisor, Munich Engineering, ဂျာမနီ, Munich Engineering
RayDafon ၏ NL NL သည်ကျွန်ုပ်တို့၏မြန်နှုန်းမြင့်စက်ယန္တရားများကိုလအနည်းငယ်အကြာတွင်ပို့စ်တင်ထားပြီး၎င်းသည်ကျွန်ုပ်တို့၏အသင်းအတွက်ဂိမ်းပြောင်းလဲခြင်းဖြစ်သည်။ နိုင်လွန်ဂီယာပစ္စည်းသည်စမတ်ခေါ်ဆိုမှုတစ်ခုဖြစ်သည်။ ၎င်းသည်သတ္တုကဲ့သို့မြန်ဆန်စွာမ 0 င်ပါ။ ဒါကသေးငယ်တယ်, ဒါပေမယ့်တိတ်ဆိတ်တဲ့ဆိုင်တစ်ဆိုင်ကအသင်းအတွက်ပင်ပန်းနွမ်းနယ်မှုနည်းတယ်,
မြန်နှုန်းမြင့်အပြေးမှုနှင့်အတူလာသည့်အပြောင်းအလဲအနည်းငယ်ကိုကိုင်တွယ်ရန်လုံလောက်သောပြောင်းလွယ်ပြင်လွယ်သည်။ တပ်ဆင်ခြင်းသည်ရိုးရှင်းပါသည်။ ကျွန်ုပ်တို့၏နည်းပညာများသည်တစ်နာရီအတွင်းတွင်တပ်ဆင်ထားသည်, ရှုပ်ထွေးသောညွှန်ကြားချက်မရှိပါ။ ငါတို့က install လုပ်ပြီးကတည်းကစက်တွေ stopp တွေကိုနည်းနည်းလေးနည်းနည်းလေးနည်းနည်းပဲရှိသေးတယ်။ Raydafon ရဲ့သက်သေပြမှုသူတို့ပေးသွင်းသူတစ် ဦး ကတော့ငါတို့မှာအံ့အားသင့်စရာကောင်းလောက်အောင်ကောင်းကောင်းမွန်မွန်လုပ်နိုင်တယ်။
⭐⭐⭐⭐⭐ Carlos Martínez, စစ်ဆင်ရေးဒါရိုက်တာ, စစ်ဆင်ရေးဒါရိုက်တာ Madrid ထုတ်လုပ်ခြင်း Corp.
RayDafon ၏ NL Type Nylon Gear ပြောင်းလွယ်ပြင်လွယ်မှုသည်ကျွန်ုပ်တို့ရှာဖွေနေသည့်အရည်အသွေးမြင့်ထုတ်ကုန်ဖြစ်သည်။ တုန်ခါမှုတိုးပွားလာခြင်းနှင့်ထိရောက်မှုမြှင့်တင်ရန်မျှော်လင့်ရန်ကျွန်ုပ်တို့၏ထုတ်လုပ်မှုလိုင်းကိုကျွန်ုပ်တို့ကဆက်ပြောသည်။ Nylon Gear ကအရာရာကိုချောချောမွေ့မွေ့လည်ပတ်စေဖို့သင့်တော်တဲ့ပြောင်းလွယ်ပြင်လွယ်မှုပမာဏကိုပေးတယ်,
၎င်းသည်ကျစ်လစ်သိပ်သည်းမှု, ကျွန်ုပ်တို့၏ setup အတွက်ကြီးမားသောအပေါင်းဖြစ်သည်။ ကျွန်ုပ်တို့တွင်နေရာများစွာရှိသည်မဟုတ်ကြပါ။ ဤဆက်နွယ်မှုသည်အခြားအစိတ်အပိုင်းများကိုနေရာချခြင်းမပြုဘဲမှန်ကန်စွာကိုက်ညီသည်။ ကျနော်တို့အခုလတွေသုံးနေပြီ, ပြ issues နာမရှိဘူး, ပြိုကွဲစရာမလိုပါဘူး။ RayDafon မှကျွန်ုပ်တို့ရရှိသောထုတ်ကုန်နှင့် 0 န်ဆောင်မှုကြီးများအကြားကျွန်ုပ်တို့သည်ကျေနပ်ရောင့်ရဲမှုထက်ပိုသည်။ ဒီတစ်ခုကဂိုးသမားတစ်ယောက်ပါ။
လိပ်စာ
Luotuo စက်မှုဇုန်, Zhenhai ခရိုင်, Ningbo City, တရုတ်
Tel
အီးမေး


+86-574-87168065


Luotuo စက်မှုဇုန်, Zhenhai ခရိုင်, Ningbo City, တရုတ်
မူပိုင်ခွင့်© RayDafon Technology Group Co. , Limited All Reserved Reserved ။
Links | Sitemap | RSS | XML | ကိုယ်ရေးအချက်အလက်မူဝါဒ |
