ထုတ်ကုန်များ
ထုတ်ကုန်များ
စိုက်ပျိုးရေးစက်ယန္တရားများအတွက်ဆလင်ဒါဆွဲယူခြင်းနှင့်ရုတ်သိမ်း
  • စိုက်ပျိုးရေးစက်ယန္တရားများအတွက်ဆလင်ဒါဆွဲယူခြင်းနှင့်ရုတ်သိမ်းစိုက်ပျိုးရေးစက်ယန္တရားများအတွက်ဆလင်ဒါဆွဲယူခြင်းနှင့်ရုတ်သိမ်း
  • စိုက်ပျိုးရေးစက်ယန္တရားများအတွက်ဆလင်ဒါဆွဲယူခြင်းနှင့်ရုတ်သိမ်းစိုက်ပျိုးရေးစက်ယန္တရားများအတွက်ဆလင်ဒါဆွဲယူခြင်းနှင့်ရုတ်သိမ်း

စိုက်ပျိုးရေးစက်ယန္တရားများအတွက်ဆလင်ဒါဆွဲယူခြင်းနှင့်ရုတ်သိမ်း

တရုတ်နိုင်ငံတွင်နှစ်ရှည်လများထုတ်လုပ်သည့်ထုတ်လုပ်သူတစ် ဦး အနေဖြင့်, ၎င်း၏ကျိုးကြောင်းဆီလျော်သောစျေးနှုန်းဖြင့်လယ်သမားများနှင့်စိုက်ပျိုးရေးဆိုင်ရာစက်ယန္တရားပူးပေါင်းဆောင်ရွက်မှုအတွက်ယုံကြည်စိတ်ချရသောပေးသွင်းသူဖြစ်လာသည်။ စိုက်ပျိုးရေးစက်ယန္တရားများအတွက်ဆလင်ဒါဆွဲခြင်းနှင့်ဆန့်ကျင်မှုကိုရုပ်သိမ်းခြင်းကိုရုပ်သိမ်းခြင်းနှင့်ထိတွေ့ခြင်းကိုထူသောအလွိုင်းသံမဏိဖြင့်အတုအယောင်များနှင့်ပိတ်ဆို့ခြင်းလုပ်ငန်းစဉ်ခုနစ်ခုအားဖြင့်ခိုင်ခံ့စေသည်။ ၎င်းသည်တန်ချိန် 3 တန်စိုက်ပျိုးရေးစက်ယန္တရားများကိုအလွယ်တကူရုတ်သိမ်းပေးရန်နှင့်ထယ်ပစ္စည်းကိရိယာများကိုတင်ရန်နှင့်တင်ခြင်းနှင့်တင်ခြင်းနှင့်တင်ခြင်းကိုလျှော့ချရန်လုံလောက်သည်။ ယုံကြည်စိတ်ချရသောအရည်အသွေးနှင့်ထောက်ထားစာနာမှုနှင့်အတူစဉ်းစားပြီးနောက်,

Towing And Lifting Cylinder For Agricultural Machinery

ထုတ်ကုန်အင်္ဂါရပ်များ

Hydraulic နယ်ပယ်တွင်နက်ရှိုင်းသောတရုတ်ထုတ်လုပ်သူတစ် ဦး ဖြစ်သောတရုတ်ထုတ်လုပ်သူတစ် ဦး အနေဖြင့် Arayafon သည်၎င်း၏ကိုယ်ပိုင်စက်ရုံသခင်များ၏လက်ရာပုဂ္ဂလိကပိုင်လုပ်သောအလုပ်များအတွက်ကုန်ကျစရိတ်သက်သာသည့်ဆွဲကြိုးကိုရုပ်သိမ်းခြင်းနှင့်ရုတ်သိမ်းလိုက်သည်။ ကျိုးကြောင်းဆီလျော်သောစျေးနှုန်းဖြင့်၎င်းသည်လယ်ယာစိုက်ပျိုးရေးနှင့်စိုက်ပျိုးရေးစက်ယန္တရားစက်ရုံများအတွက်ယုံကြည်စိတ်ချရသောပေးသွင်းသူဖြစ်လာသည်။ ဤဆလင်ဒါသည်လယ်ယာမြေများတွင်ရှုပ်ထွေးသောလုပ်ငန်းခွင်အခြေအနေများအတွက်ဒီဇိုင်းပြုလုပ်ထားသည်။ ၎င်း၏အဓိကအားသာချက်သုံးခုသည်စိုက်ပျိုးရေးလုပ်ငန်းများပိုမိုလွယ်ကူစေသည်။


အစွမ်းထက်။ တာရှည်ခံမှုနှင့်အတူနေရောင်ခြည်စွမ်းအင်သုံးအယ်လ်ဖုန်အတွက်ဆလင်ဒါဆွဲခြင်းနှင့်ဆန့်ကျင်သောဆလင်ဒါသည်သတ္တုတူးဖော်ရေးဝင်းဒိုး၏ 30% ပိုမိုထူထပ်ပြီးမီးရထားလမ်းများနှင့်နှိုင်းယှဉ်လျှင်တင်းမာသောဖြစ်စဉ်များနှင့်ထိမိသည်။ ၎င်းသည်စိုက်ပျိုးရေးစက်ယန္တရားများ၏တန်ချိန် 3.5 တန်ကိုထွန်ယုန်များနှင့်ထွန်ရန်နှင့်သယ်ဆောင်ခြင်းနှင့်သယ်ဆောင်ခြင်းသည်ပြ problem နာမရှိပါ။ မျက်နှာပြင်ကို couposion antiosion acation လေးခုနှင့်အတူဖုံးအုပ်ထားသည်။ ဆားငန်မြေနှင့်စိုစွတ်သောစပါးလယ်ကွင်းများတွင်နှစ်နှစ်ကြာစဉ်ဆက်မပြတ်သုံးစွဲပြီးနောက်ဆလင်ဒါခန္ဓာကိုယ်သည်ရေနံတစ်စက်မပေါက်သည့်အတွက်အသစ်တောက်ပနေဆဲဖြစ်သည်။


Mountain ကဲ့သို့တည်ငြိမ်သည်။ လုပ်ဆောင်ရန်ပြောင်းလွယ်ပြင်လွယ် - မူလနှစ်လမ်းသွား hydraulic ချိန်ခွင်လျှာစနစ်သည်လယ်ယာစိုက်ပျိုးရေးစက်ယန္တရားအတွက်ဆလင်ဒါဆွဲခြင်းနှင့်ရုပ်သိမ်းခြင်းကိုဖယ်ရှားပေးသည်။ Built-in ဖိအားအာရုံခံကိရိယာသည်အလွန်အကျွံတင်ချိန်တွင် 0.3 စက္ကန့်အတွင်းအရေးယူဆောင်ရွက်မှုကိုရပ်တန့်သောအခါအကာအကွယ်ကိုအလိုအလျောက်ဖြစ်ပေါ်စေသည်။


0 ယ်လိုအားအတွက်စိတ်ကြိုက်, Installation သည် screw နှစ်ခုကိုတင်းကျပ်စွာတင်းကျပ်ရန်လိုအပ်သည်။ Diso 9001 နှင့်စိုက်ပျိုးရေးစက်ပစ္စည်းထုတ်လုပ်မှုလုပ်ငန်းများသည်လက်မှတ်နှစ်မျိုးဖြင့်အတည်ပြုချက်ကိုအတည်ပြုပြီး 24 နာရီအတွင်း 24 နာရီအတွင်းတုံ့ပြန်ခဲ့သည်။ RayDafon ၏ထုတ်ကုန်သည်ကုန်ကျစရိတ်များကိုလျှော့ချရန်နှင့်စိုက်ပျိုးရေးထုတ်လုပ်မှုတွင်ထိရောက်မှုတိုးပွားလာခြင်းအတွက် "hard-core harder" ဖြစ်သည်။

Towing And Lifting Cylinder For Agricultural Machinery


ကုန်ပစ္စည်းလျှောက်လွှာ

စိုက်ပျိုးရေးစက်ယန္တရားများအတွက်ဆလင်ဒါများကိုထွန်ယက်ခြင်းများကိုထွန်ယက်ခြင်း, လယ်ထွန်စက်မှဆွဲထုတ်လိုက်သောထယ်သည်မြေပေါ်မှောက်၌မြေဆီလွှာထိုးဖောက်မှုကိုမကြာခဏညှိရန်လိုအပ်သည်။ RayDafon မှထုတ်လုပ်သောရေနံဆလင်ဒါသည်ထယ်ခန္ဓာကိုယ်လျင်မြန်စွာတိုးပွားစေပြီးထွန်စက်ကိုအလျင်အမြန်လျှော့ချနိုင်သည်။ ၎င်းသည်မျိုးစေ့ကြဲခြင်းလုပ်ငန်းစဉ်တွင်မရှိမဖြစ်လိုအပ်သည်။ မျိုးစေ့အပင်တွင်ရေနံဆလင်ဒါသည်မျိုးစေ့သည်မျိုးစေ့မီတာနှင့်ဖိအားစီးဆင်းမှုကိုဖိအားပေးသည်။ မျိုးစေ့ကြဲသည့်အခါရေနံဆလင်ဒါသည်မျိုးစေ့များနှင့်မြေဆီလွှာအကြားနီးကပ်စွာအဆက်အသွယ်များကိုပိုမိုကောင်းမွန်စေရန်အတွက်ဖိအားပေးသည့်ဘီးကိုသင့်လျော်သောအင်အားဖြင့်ကျစ်လစ်သိပ်သည်းစေသည်။ မြေကွက်များကိုလွှဲပြောင်းသောအခါ၎င်းသည်စက်၏လှုပ်ရှားမှုကိုလွယ်ကူချောမွေ့စေရန်မျိုးစေ့မီတာကိုလျင်မြန်စွာမြှင့်တင်နိုင်သည်။


ရိတ်သိမ်းခြင်းအဆင့်တွင်ပေါင်းစပ်စပါးစိုက်ပျိုးရေးစက်ယန္တရားများအတွက်ဆွဲခြင်းနှင့်ရုတ်သိမ်းခြင်းဆလင်ဒါသည်ဆလင်ဒါကိုရုပ်သိမ်းခြင်းဆလင်ဒါသည်အဓိကအခန်းကဏ် plays မှပါ 0 င်သည်။ စပါးအောင်းအပြည့်အ 0 သည်အပြည့်အဝပြီးနောက်စပါးကိုအလွယ်တကူမြှင့်တင်ရန်နှင့်သယ်ယူပို့ဆောင်ရေးမော်တော်ယာဉ်ပေါ်သို့အလျင်အမြန်ကောက်ယူရန်ရေနံဆလင်ဒါကိုသာလုပ်ကိုင်ရန်လိုအပ်သည်။ လုပ်ငန်းစဉ်တစ်ခုလုံးသည်ချောမွေ့ပြီးလုပ်သားချွေတာခြင်းဖြစ်သည်။ ထို့အပြင်ပြိုလဲသောကောက်ပဲသီးနှံများရိတ်သိမ်းသည့်အခါ, ထို့အပြင်စိုက်ပျိုးရေးအမှိုက်ပုံများကဲ့သို့သောစိုက်ပျိုးရေးသယ်ယူပို့ဆောင်ရေးပစ္စည်းကိရိယာများတွင်ရေနံဆလင်ဒါသည်ရေပုံး၏ရုပ်သိမ်းခြင်းနှင့်လျှော့ချခြင်းတို့ကိုထိန်းချုပ်သည်။ ကောက်ရိုးနှင့်ဓာတ်မြေသွဇာနှင့်ပြည့်စုံသောပုံးများကိုအများအားဖြင့်အလိုအလျောက်စောင်းခြင်း, စက်ရုံမှတိုက်ရိုက်တင်ပို့သည့်ကုန်ပစ္စည်းပေးသွင်းသူတစ် ဦး အနေဖြင့်လယ်သမားများနှင့်စိုက်ပျိုးရေးစက်ပစ္စည်းကုမ္ပဏီများသည်စိုက်ပျိုးရေးထုတ်လုပ်မှုအဆင့်တိုင်းကိုကူညီခြင်း,

Towing And Lifting Cylinder For Agricultural Machinery


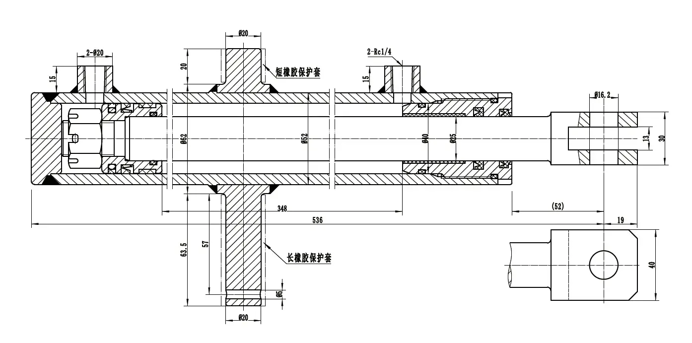
ထုတ်ကုန် parameter:

ဆလင်ဒါမော်ဒယ် အသေးစိတ်အချက်အလက် အလုပ်လုပ်ဖိအား အများဆုံးဆီးတား ခရီးသွားလာခြင်း တပ်ဆင်ခြင်းအကွာအဝေး အလေးချိန်
hycyy11112017 φ40×φ25× 348 16.7MPA 24.5MPA 348 536 6 ကီလိုဂရမ်

Towing And Lifting Cylinder For Agricultural Machinery



Hot Tags: စိုက်ပျိုးရေးစက်ယန္တရားများအတွက်ဆလင်ဒါဆွဲယူခြင်းနှင့်ရုတ်သိမ်း
စုံစမ်းမေးမြန်းရန်ပေးပို့ပါ။
ဆက်သွယ်ရန်အချက်အလက်
  • လိပ်စာ

    Luotuo စက်မှုဇုန်, Zhenhai ခရိုင်, Ningbo City, တရုတ်

  • အီးမေး

    [email protected]

Hydraulic Cylinders, Gearboxes, PTO ရိုးတံများသို့မဟုတ်စျေးနှုန်းများနှင့်ပတ်သက်သည့်မေးမြန်းစုံစမ်းလိုသည်များအတွက် ကျေးဇူးပြု. သင်၏အီးမေးလ်ကိုကျွန်ုပ်တို့ထံသို့ထားခဲ့ပါ။ 24 နာရီအတွင်းကျွန်ုပ်တို့အဆက်အသွယ်ရှိလိမ့်မည်။
သတင်းအကြံပြုချက်များ
X
သင့်အား ပိုမိုကောင်းမွန်သောကြည့်ရှုမှုအတွေ့အကြုံကို ပေးဆောင်ရန်၊ ဆိုက်အသွားအလာကို ပိုင်းခြားစိတ်ဖြာပြီး အကြောင်းအရာကို ပုဂ္ဂိုလ်ရေးသီးသန့်ပြုလုပ်ရန် ကျွန်ုပ်တို့သည် ကွတ်ကီးများကို အသုံးပြုပါသည်။ ဤဆိုက်ကိုအသုံးပြုခြင်းဖြင့် ကျွန်ုပ်တို့၏ cookies အသုံးပြုမှုကို သင်သဘောတူပါသည်။ ကိုယ်ရေးအချက်အလက်မူဝါဒ
ငြင်းပယ်ပါ။ လက်ခံပါတယ်။