QR ကုဒ်
ကြှနျုပျတို့အကွောငျး
ထုတ်ကုန်များ
ကြှနျုပျတို့ကိုဆကျသှယျရနျ


ဖက်စ်
+86-574-87168065

အီးမေး

လိပ်စာ
Luotuo စက်မှုဇုန်, Zhenhai ခရိုင်, Ningbo City, တရုတ်
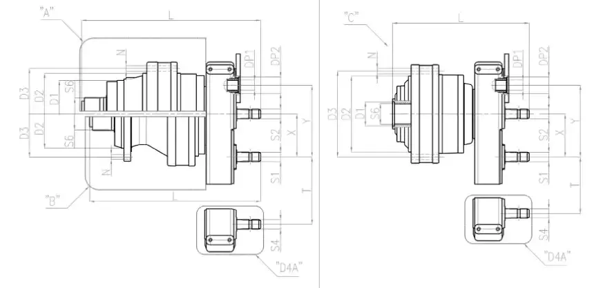
| ပုံစံ | PG-702 | PG-1002 | PG-1602 | PG-1802 | PG-2502 | PG-3002 | PG-3503 | |||
| အချိုးအစား | 18.2 | 18.3 | 13.4-33.6 | 15.7-29.9 | 14.6-20-36.2 | 45.3 | 53.7 | |||
| output ကိုအမျိုးအစား | B | B | B | C | B | C | A | C | C | C |
| ဒေတီ |
|
|
|
88hb |
|
88hb | 245F7 | 102h7 | 102h7 | 122HF |
| ဒေ | 200f7 | 230F7 | 230F7 | 278F7 | 230 | 278F7 | 340F7 | 340F7 | 340F7 | 340F7 |
| d3 | 250 | 295 | 295 | 314 | 295 | 314 | 370 | 370 | 370 | 370 |
| N | ∅15× n ° 12 | ∅17× n ° 10 | ∅17× n ° 10 | ∅15× n ° 18 | ∅17× n ° 10 | ∅15× n ° 18 | ∅17× n ° 15 | ∅17× n ° 15 | ∅17× n ° 15 | ∅17× n ° 15 |
| L | 646.5 | 627.5 | 693 | 490.5 | 714 | 499.5 | 798.5 | 595.5 | 601 | 680.5 |
| S6 | 70 * 64 Din5482 | 80 * 74 Din5482 | 100 * 94 Din5482 | 80 * 74 Din5482 | 100 * 94 Din5482 | 80 * 74 Din5482 | 100 * 94 Din5482 | 100 * 94 Din5482 | 100 * 94 Din5482 | 120 * 22 * 5 din5482 |
| S1 | 1 "3/8 Z6 | 1 "3/8 Z6 | 1 "3/8 Z6 | 1 "3/8 Z6 | 1 "3/8 Z6 | 1 "3/8 Z6 | 1 "3/8 Z6 | 1 "3/8 Z6 | 1 "3/8 Z6 | 1 "3/8 Z6 |
| S2 | 1 "3/8 Z6 | 1 "3/8 Z6 | 1 "3/8 Z6 | 1 "3/8 Z6 | 1 "3/8 Z6 | 1 "3/8 Z6 | 1 "3/8 Z6 |
|
|
|
| DP1 | 40 * 36 Din5482 | 40 * 36 Din5482 | 40 * 36 Din5482 | 40 * 36 Din5482 | 40 * 36 Din5482 | 40 * 36 Din5482 | 40 * 36 Din5482 | 40 * 36 Din5482 | 40 * 36 Din5482 | 40 * 36 Din5482 |
| DP2 | 60.3hb | 60.3hb | 60.3hb | 60.3hb | 60.3hb | 60.3hb | 60.3hb | 60.3hb | 60.3hb | 60.3hb |
| X | 157 | 157 | 157 | 157 | 157 | 157 | 157 | 157 | 157 | 157 |
| Y | 262 | 262 | 262 | 262 | 262 | 262 | 262 | 262 | 262 | 262 |
| S4 |
|
|
|
1 "3/8 Z6 |
|
1 "3/8 Z6 |
|
1 "3/8 Z6 | 1 "3/8 Z6 | 1 "3/8 Z6 |
| T |
|
|
|
156.8 |
|
156.8 |
|
156.8 | 156.8 | 156.8 |
| ပုံစံ | အချိုးအစား | ဒေတီ | ဒေ | d3 | d4 | N | E |
| PG-1602 | 22.14-33.6 | 80 * 74 Din5482 | 225 F7 | 278 F7 | 314 | ∅15× n ° 18 | sae b / sae c |
| PG-2502 | 20-36.2 | 100 * 94 Din5482 | 245 F7 | 340F7 | 370 | ∅17× n ° 15 | sae b / sae c |
| ပုံစံ | အချိုးအစား | ဒေတီ | ဒေ | d3 | N | E |
| PG-161 | 3.55-2.49-5.60 | 40 * 36 Din5482 | 110 F7 | 165 | ∅10.5× n ° 8 | Sae A / SAE B / SAE BB / OMTS |
| PG-251 | 4.13-5.17-6.00 | 58 * 53 Din5482 | 150 f7 | 195 | ∅13× n ° 10 | Sae A / SAE B / SAE BB / OMTS |
| PG-501 | 4.13-5.17-6.00 | 58 * 53 Din5482 | 150 f7 | 195 | ∅13× n ° 10 | Sae A / SAE B / SAE BB / OMTS |
၏ဖွံ့ဖြိုးတိုးတက်မှုPG Series Peed Mixer Planetary Gearbox Boxရိုးရာရောနှောထားသောပစ္စည်းကိရိယာများကိုထုတ်လွှင့်သောပစ္စည်းကိရိယာများ၏နာကျင်မှုအချက်များနှင့်အတူနက်ရှိုင်းသောထိုးထွင်းသိမြင်မှုမှအဓိကအားထား။ ၎င်း၏ဂြိုလ်ဂီယာဖြန့်ဖြူးရေးဖြန့်ဖြူးရေးဗဟုသုတရေးဆွဲခြင်းသည်မတူကွဲပြားသောကုန်ကြမ်းအချိုးအစားအရစိတ်ဖိစီးမှုအခြေအနေများအားထပ်ခါတလဲလဲပုံသဏ္ဌာန်, ဥပမာအားဖြင့်, ပြောင်းဖူးရိုးတံနှင့်ပဲပုပ်ထမင်းစားပွဲအရောအနှောများထုတ်လုပ်သည့်အခါ၎င်း၏ထူးခြားသည့်အနေဖြင့်သွားဒီဇိုင်းသည် 15% ဖြင့်အနှောင့်အယှက်ဖြစ်စေနိုင်သည်။ မြင့်မားသောကြိတ်ခွဲစိတ်ကုသမှုလုပ်ငန်းစဉ်နှင့်အတူသွားမျက်နှာပြင်ကြမ်းတမ်းခြင်းကို Ra0.8 အောက်တွင်ထိန်းချုပ်ထားသည်။ Feed Factory ၏တိုင်းတာမှုတွင်တစ်နေ့လျှင် 12 နာရီဆက်တိုက်စစ်ဆင်ရေးတွင်စွမ်းအင်သုံးစွဲမှုသည် 14% နိမ့်ကျပြီးအလားတူထုတ်ကုန်များထက် 14% နိမ့်သည်။
အစာကျွေးသောကုန်ကြမ်းများနှင့်ရောနှောထားသောသဲ, ကျောက်တုံးများနှင့်သတ္တုအပျက်အစီးများကဲ့သို့သောခိုင်မာသောအမှုန်များအတွက်ဤဂီယာအုံသည်ပစ္စည်းနှင့်လုပ်ငန်းစဉ်များအရပစ်မှတ်ထားသည်။ ဂီယာကို 20crmnti အလွိုင်းသံမဏိဖြင့်ပြုလုပ်ထားသည်။ အပူချိန်နိမ့်သောအပူချိန်နှင့်ပေါင်းစပ်ပြီး 1.2 မီလီမီတာတွင်ကုသမှုအနည်းငယ်သာရှိသောအတိမ်အနက်ကိုဆေးကုသမှုခံယူပြီးနောက်သွားသောအပူချိန်နိမ့်ခြင်းလုပ်ငန်းစဉ်နှင့်ပေါင်းစပ်လိုက်ခြင်းသည် 850mpa ထက် ပို. တိုးပွားလာသည်။ မွေးမြူရေးခြံဝင်းတစ်ခုတွင်မပြည့်စုံသောကုန်ကြမ်းဆိုင်ရာစစ်ဆေးမှုဆိုင်ရာအခြေအနေများအရ၎င်း၏ရပ်တည်မှုခံနေရသည့်နေရာ၌ 400 နာရီကြာသောသဲနှင့်ကျောက်စရစ်သက်ရောက်မှုများစမ်းသပ်ခြင်းကိုခံနိုင်ရည်ရှိသည်။ တစ်ချိန်တည်းမှာပင်နံရိုးပြားအပြင်အဆင်ကို preload ပြုလုပ်ပြီးဂြိုဟ်သယ်ဆောင်လာသည့် Preload ကိုထမ်းဆောင်ခြင်းအားဖြင့်ဂီယာအုံသည် 1.5 ဆမြင့်မားသော torque ၏ချက်ချင်းအကျိုးသက်ရောက်မှုကိုရှောင်ကြဉ်သည့်အခါဂီယာအုတ်မြစ်ကိုရှောင်ကြဉ်သည့်အခါဂီယာအုတ်မြစ်ကိုရှောင်ကြဉ်ခြင်း,
Gearbox ၏အသိဉာဏ်ရှိသောဒီဇိုင်းဒီဇိုင်းသည်အစာကျွေးခြင်းလုပ်ငန်းတွင်နာကျင်မှုနှင့်ပြုပြင်ထိန်းသိမ်းရေး၏နာကျင်မှုနှင့်ပြုပြင်ထိန်းသိမ်းမှုများကိုနက်ရှိုင်းစွာနားလည်ခြင်းမှဆင်းသက်လာသည်။ ၎င်း၏ built-in အသိဉာဏ်ရှိသောစောင့်ကြည့်လေ့လာမှု module သည်ရိုးရှင်းသောအချက်အလက်စုဆောင်းသူမဟုတ်ဘဲ algorithm မော်ဒယ်မှတစ်ဆင့်အပူချိန်, တုန်ခါမှု, ဥပမာအားဖြင့်, bearing အပူချိန်ကိုပုံမှန်မဟုတ်သောအမြင့်ဆုံးဖြစ်ရန်ရှာဖွေတွေ့ရှိသည့်အခါစနစ်သည် 0 တ်စုံကိုမလုံလောက်ခြင်း, ဤစနစ်ကိုလျှောက်ထားပြီးနောက်အစာကျွေးမိတ်ကုမ္ပဏီသည်အမဲဆီအစားထိုးခြင်းနှင့်ကြိုတင်ပြင်ဆင်ခြင်းတို့ဖြင့်အစားထိုးခြင်းနှင့်ကြိုတင်ပြင်ဆင်ခြင်းတို့ဖြင့်ပြင်ဆင်ခြင်းနှင့်အလုံးစုံပစ္စည်းကိရိယာများထိရောက်မှု (Oee) သည် 18% တိုးလာသည်။ ထို့အပြင်၎င်း၏ Modular အမြန်ဆုံးဖြန့်ချိသောဖွဲ့စည်းပုံ၏ဒီဇိုင်းကိုရှေ့တန်းအဆင့်ပြုပြင်ထိန်းသိမ်းရေး 0 န်ထမ်းများ၏တုံ့ပြန်ချက်များကမှုတ်သွင်းခံခဲ့ရသည်။ အဆိုပါဂြိုလ်ဂီယာအစုအဝေး၏အလုံးစုံအစားထိုးဖြည့်စွက်ရန်သော့ခလောက်လေးသော့ခလောက်လျော့နည်းစေဖို့လိုတယ်,
ပတ် 0 န်းကျင်ကာကွယ်ရေးနှင့်စွမ်းအင်ထိရောက်မှုပိုမိုကောင်းမွန်စေရန်အတွက်ဂီယာအုံ၏ဆန်းသစ်တီထွင်မှုဒီဇိုင်းသည်ကုန်ကျစရိတ်များကိုလျှော့ချရန်နှင့်ထိရောက်မှုကိုတိုးမြှင့်စေရန်အတွက်အစာအရင်းအမြစ်များ၏လိုအပ်ချက်များကိုအကောင်အထည်ဖော်ရန်အတွက်အဓိကထားသည်။ ၎င်း၏အပူဖြန့်ဖြူးရေးတည်ဆောက်ပုံသည်အပူလွန်ကဲမှုနယ်ပယ်ကိုမျက်မမြင်များကိုမျက်စိအတွင်းမတိုးပွားစေသော်လည်း, ချောဆီကိုချောဆီပမာဏဖြင့် dual-number oil supply နည်းပညာကိုဆီအသံအတိုးအကျယ်အရရေနံပမာဏနှင့်အညီ, ဥရောပသို့တင်ပို့သည့်အစာထုတ်လုပ်မှုလိုင်းကိုအမှန်တကယ်တိုင်းတာသည်မှာအီးယူစံထက် 5DB သည် 5DB နိမ့်ကြောင်းနှင့်၎င်း၏စွမ်းအင်ထိရောက်မှုသည် IE3 စံချိန်စံညွှန်းကိုရောက်ရှိနေပြီးဖောက်သည်များအားတင်သွင်းသောနိုင်ငံ၏စွမ်းအင်ထိရောက်မှုလက်မှတ်ကိုအောင်မြင်စွာအောင်မြင်စွာအောင်မြင်စွာအောင်မြင်စွာအောင်မြင်စွာအောင်မြင်စွာဖြတ်သန်းရန်ကူညီသည်။ ဤဒီဇိုင်းအယူအဆသည်စီးပွားဖြစ်တန်ဖိုးနှင့်နည်းပညာဆိုင်ရာအသေးစိတ်အချက်အလက်များကိုနက်ရှိုင်းစွာဖြည့်ဆည်းပေးနိုင်သည့်ထုတ်ကုန်သည်စျေးကွက်အသိအမှတ်ပြုမှုအတွက်သော့ချက်ဖြစ်သည်။
မင်္ဂလာပါ! ကျွန်ုပ်သည်စပိန်, ဘာစီလိုနာမှ 0 ယ်ယူသူ Elena Garccíaဖြစ်သည်။ ကျွန်ုပ်တို့၏ Plimary Gearbox ကိုကျွန်ုပ်တို့၏ Photovoltaic Panel Tracking စနစ်တွင်တစ်နှစ်ခွဲကြာအောင်အသုံးပြုခဲ့သည်။ ဤပစ္စည်းကိရိယာများသည် Sunshine Tracking တိကျမှု၏ပြ problem နာကိုလုံးဝဖြေရှင်းနိုင်သည် - ယခင်ကကျွန်ုပ်တို့အသုံးပြုသောဂီယာပုတိန်သည်မနက်တိုင်း 5 ဒီဂရီခန့်ရှိသည်။ သင်၏ဂြိုဟ်ဂီယာသည် 0.5 ဒီဂရီအတွင်းသင်၏ဂြိုလ်ဂီယာသည်ခြေရာခံအမှားကိုထိန်းချုပ်နိုင်သည်။ ယခုပျမ်းမျှအားဖြင့်နေ့စဉ်လျှပ်စစ်ဓာတ်အားထုတ်လုပ်ခြင်း Photovoltaic Panels သည် 18 ရာခိုင်နှုန်းတိုးတက်လာခဲ့ပြီးယခင်ကနှင့်နှိုင်းယှဉ်လျှင် 18 ရာခိုင်နှုန်းတိုးတက်လာသည်။ ယခုဤဂြိုဟ်ဂီယာဘောက်သည်ပင်လယ်ကမ်းခြေရှိ Photovoltaic Power Station တွင်ဆားမှုန်ရေမွှားများနှင့်လေပြင်းတိုက်ခြင်းများစမ်းသပ်ခြင်းနှင့်လေပြင်းတိုက်ခတ်မှုကိုခံနေရသည်။ ဂီယာအငှားအိမ်ရာ၏ဆန့်ကျင်မှုန့်ကိုဖုံးအုပ်ခြင်းကပြိုကျခြင်း၏လက္ခဏာများကိုပြသနိုင်ခြင်းမရှိခဲ့ပါ။ ပြည်တွင်းဂီယာရေနံသည်ယခင်ကကဲ့သို့မကြာခဏအစားထိုးရန်မလိုအပ်ပါ။ ငါအနာဂတ်မှာပြန်လည်ပြည့်ဖြိုးမြဲစွမ်းအင်စီမံကိန်းများအတွက်သင်နှင့်အတူအလုပ်လုပ်ရန်မျှော်လင့်နေပါတယ်!
ကျွန်ုပ်သည်ဂျာမနီမှစက်မှုအင်ဂျင်နီယာ Hans Müllerဖြစ်သည်။ လွန်ခဲ့သောတစ်နှစ်ခွဲလွန်ခဲ့သည့်တစ်နှစ်ဝက်တွင် Maydafon ၏ Planage Gearbox Box သည်ထုတ်လုပ်မှုလိုင်းအဆင့်မြှင့်တင်မှုများအတွက်ဝယ်ယူခဲ့သည်။ သူတို့ကိုအသုံးပြုပြီးနောက်သူတို့သည်ကျွန်ုပ်၏မျှော်လင့်ချက်များထက်ကျော်လွန်သည်။ မြင့်မားသောအရှင်ကုန်ဆေးများပြုလုပ်ရန်ပစ္စည်းကိရိယာများသည်တစ်နေ့လျှင် 16 နာရီကြာမြင့်မားသောဝန်ကိုတက်သည်။ ဂီယာပုံးဆူညံသံကို 20% လျှော့ချနိုင်ပြီးဂီယာထိရောက်မှုသည် 94% ကျော်တည်ငြိမ်သည်, အပူချိန်မြင့်တက်မှုကို 25 ဒီဂရီစင်တီဂရိတ်တွင်အမြဲထိန်းချုပ်ထားသည်။ သင်၏အဖွဲ့သည်ပရော်ဖက်ရှင်နယ်နှင့်ထိရောက်မှုရှိခဲ့သည်။ အသေးစိတ်ဒီဇိုင်း (ထိုကဲ့သို့သော mustproof တံဆိပ်ခတ်ခြင်းနှင့်စံမြှပ်နှံတွင်းတူးဖော်ခြင်းကဲ့သို့သော) သည်အမှန်တကယ်အလုပ်လုပ်သောအခြေအနေများနှင့် ပတ်သက်. နက်ရှိုင်းသောနားလည်မှုကိုပိုမိုထင်ဟပ်စေသည်။ ARYDAFON ၏ထုတ်ကုန်အရည်အသွေးနှင့် 0 န်ဆောင်မှုအဆင့်တွင်ကျွန်ုပ်အားရေရှည်ပေးသွင်းသူများစာရင်းတွင်မဆိုင်းမတွပါ,
ကျွန်ုပ်သည်နှစ်ပေါင်းများစွာမွေးမြူရေးခြံကိုပြေးကာ Gearboxes များစွာကိုပြောင်းလဲခဲ့သည်။ ကျွန်ုပ်သည် Airdafon ၏ပတ် 0 န်းကျင်ဂီယာအုံကိုမသုံးသောကြောင့်၎င်းသည်စိုးရိမ်ပူပန်ခြင်းဟူသည်အဘယ်နည်း။ မီးလောင်ကျွမ်းမှုကိုရောထွေးသောအခါကျွန်ုပ်အသုံးပြုသောပစ္စည်းများကိုအမြဲတမ်းမစွမ်းနိုင်ပါ။ မင်းရဲ့ဂြိုလ်ဂီယာဘွတ်ကင်ဒီဟာအရမ်းကိုအစွမ်းထက်ဖို့မျှော်လင့်မထားဘူး။ သင်၏ထုတ်ကုန်သည်ကျွန်ုပ်ထင်သည်ထက် install လုပ်ရန်ပိုမိုရိုးရှင်းလွယ်ကူပြီးထိန်းသိမ်းရန်လည်းလွယ်ကူသည်။ ငါနောက်ဆုံးအကြိမ်ငါနေ့စဉ်စစ်ဆေးမှုကိုလုပ်ခဲ့တယ်, Gearbox Box Box သည်အလွန်တံဆိပ်ခတ်ထားပြီးရေနံယိုစိမ့်မှုလက်ခဏာမရှိကြောင်းတွေ့ရှိခဲ့သည်။ ငါသည်သင်တို့ကိုအနာဂတ်၌သင်တို့ကိုပံ့ပိုးမျှလိမ့်မည်။ ---- မာ့ခ်ဂျွန်ဆင်
လိပ်စာ
Luotuo စက်မှုဇုန်, Zhenhai ခရိုင်, Ningbo City, တရုတ်
Tel
အီးမေး


+86-574-87168065


Luotuo စက်မှုဇုန်, Zhenhai ခရိုင်, Ningbo City, တရုတ်
မူပိုင်ခွင့်© RayDafon Technology Group Co. , Limited All Reserved Reserved ။
Links | Sitemap | RSS | XML | ကိုယ်ရေးအချက်အလက်မူဝါဒ |
